Перейти к публикации
Конференция ГАЗ-69
strangecar

Переходники под ВАЗовский масляный фильтр для двигателей М-20 и М-21

Рекомендованные сообщения

Для двигателя М-21:

 

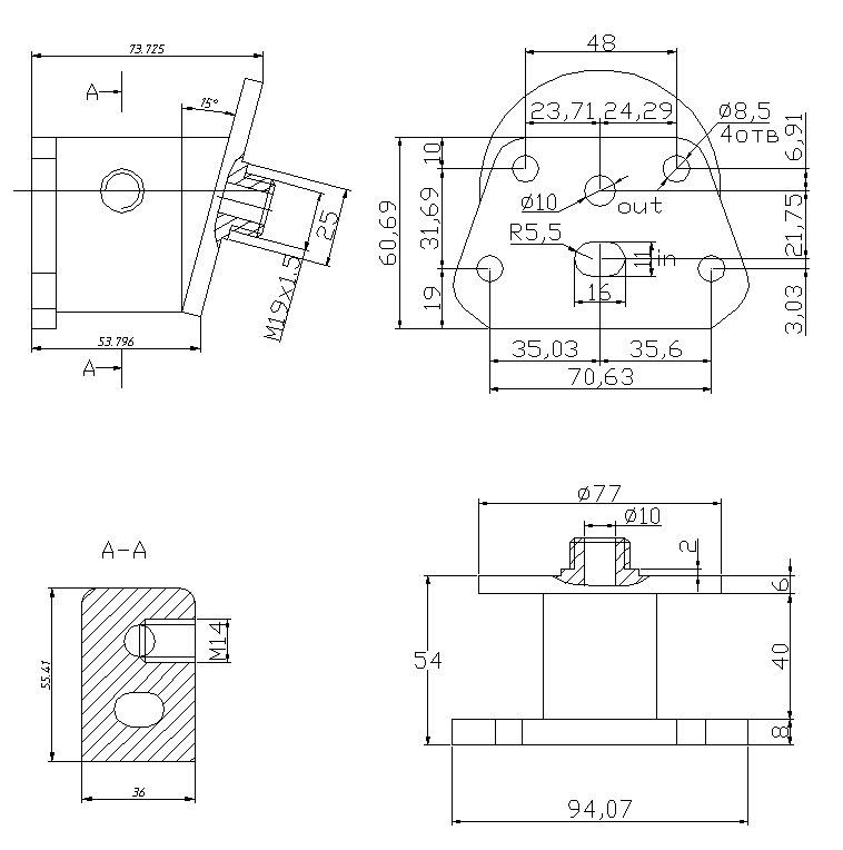
Чертёж и описание переходника маслянного фильтра под жигулёвский фильтр для двигателя М-21 прислал Анатолий (Новокузнецк):

 

Perehod_small.jpg

 

Ноу-хау не моё, но с моими доработками. Я пользую эту штуку уже больше года и очень доволен. К стати этот переходник подойдёт не только к двигателям семейства 451 (21), но и к Г-20 (Победа). Удовольствия от этой переделки в том, что раз и навсегда избавляешся от вечно сопливящей старой системы очистки масла.

Переходник (рис. 1) достаточно просто сделать из любой конструкционной стали — выточить с несложной последующей фрезеровкой. Как видите, привалочная плоскость и крепление к блоку у переходника такие же, как у фильтра грубой очистки, вместо которого он и ставится на двигателе.

Важно токарю сказать (а лучше дать фильтр) чтоюы он сделал правильный шаг резьбы. 2. Не менее важно (а может и более) правильно установить переходник на блок. На блоке имеются два отверстия (вход и выход). Дак вот центральное отверстие переходника (с резьбой) должно подходить к ВЕРХНЕМУ отверстию в блоке

Из паранита или бензомаслостойкой резины вырезаем прокладку толщиной 1,0—1,5 мм, она уплотняет соединение. Болты крепления можно использовать старые, укоротив их на 5—7 мм.

На переходник наворачиваем полнопоточный фильтр “Жигулей”, согласно инструкции, содержащейся на корпусе фильтра. Вот и все.

 

Для двигателя М-20:

 

Чертёж переходника маслянного фильтра под жигулёвский фильтр для двигателя М-20 с отверстиями для установки датчика давления и масляного радиатора прислал Slavich (Санкт-Петербург):

Решил таки написать пару слов по поводу подводных камней встретившихся мне во время установки.

1. в отверстие для масляного радиатора надо вначале вкрутить удлиннитель, в который потом вкручивается тройник на датчик давления и маслянный радиатор.

2. Вся эта конструкция (переходник и фильтр, тот который потоньше)не влезает между блоком и кронштейном генератора. Соответственно нужно: либо делать один фланец наклонным (для чего нужно один из фланцев сделати отдельно и потом приварить под углом,если в вашем доступе нет соответствующего оборудования), чтобы опустить фильтр вниз, либо переделывать кронштейн, но это влечет замену генератора (у меня уже стоял волговский на 65А), у которого расстояние между ушами крепления меньше (на моем 70мм).

Ну а в остальном все просто, вырезал прокладку и прикрутил.

 

Вариант с параллельными фланцами:

 

perehodm20_small.jpg

 

Чертеж переходника для М-20 в формате Autocad

 

Вариант с наклонным фланцем:

 

pereh20new_small.jpg

 

Чертеж переходника для М-20 в формате Autocad

Поделиться сообщением


Ссылка на сообщение
Поделиться на других сайтах

Присоединяйтесь к обсуждению

Вы можете опубликовать сообщение сейчас, а зарегистрироваться позже. Если у вас есть аккаунт, войдите в него для написания от своего имени.

Гость
Ответить в тему...

×   Вставлено в виде отформатированного текста.   Вставить в виде обычного текста

  Разрешено не более 75 эмодзи.

×   Ваша ссылка была автоматически встроена.   Отобразить как ссылку

×   Ваш предыдущий контент был восстановлен.   Очистить редактор

×   Вы не можете вставить изображения напрямую. Загрузите или вставьте изображения по ссылке.

Загрузка...

×
×
  • Создать...