Перейти к публикации
Конференция ГАЗ-69

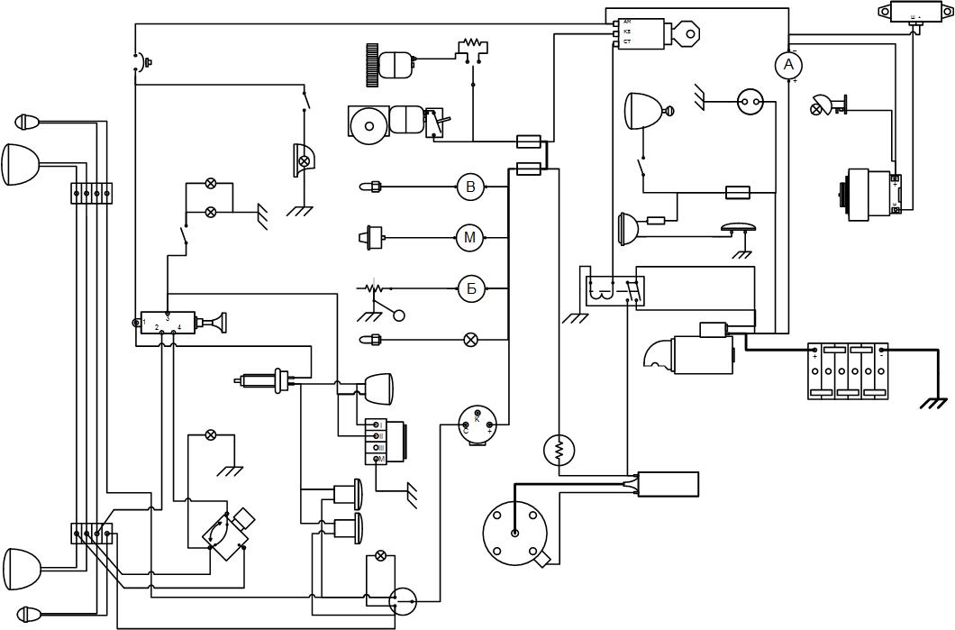
Схема Электрооборудования ГАЗ69 (56г)

Схема с тремя фонарями 1956г.

Из альбома:

Схемы

  • 3 изображения
  • 0 комментариев
  • 0 комментариев к изображению

Информация о фотографии Схема Электрооборудования ГАЗ69 (56г)


Рекомендованные комментарии

Нет комментариев для отображения

Присоединяйтесь к обсуждению

Вы можете опубликовать сообщение сейчас, а зарегистрироваться позже. Если у вас есть аккаунт, войдите в него для написания от своего имени.

Добавить комментарий...

×   Вставлено в виде отформатированного текста.   Вставить в виде обычного текста

  Разрешено не более 75 эмодзи.

×   Ваша ссылка была автоматически встроена.   Отобразить как ссылку

×   Ваш предыдущий контент был восстановлен.   Очистить редактор

×   Вы не можете вставить изображения напрямую. Загрузите или вставьте изображения по ссылке.

Загрузка...
×
×
  • Создать...