zsi 2 Жалоба Опубликовано: 17 февраля 2011 (изменено) Закончил переделку трамблера Р-119Б на двигателе УМЗ 451 на зажигание без использование воздушно искрового зазора на трамблере. теперь стоят две двух искровые катушки 3009.3705 и один двух канальный коммутатор 6420.3734. Фото по переделке трамблера выложил в альбоме. Кому поможет буду рад. http://www.gaz69.ru/ipb/index.php?app=gallery&module=user&user=4929&do=view_album&album=17616 Изменено 18 февраля 2011 пользователем zsi Цитата Поделиться сообщением Ссылка на сообщение Поделиться на других сайтах
Аким 94 Жалоба Опубликовано: 17 февраля 2011 А для особо одаренных можно поподробнее - что за зверь, че дает, где ставят? Цитата Поделиться сообщением Ссылка на сообщение Поделиться на других сайтах
Радист 1 Жалоба Опубликовано: 17 февраля 2011 если можно поподробнее из каких мартериалов шторка? какой коммутатор использован? катушки и тд. и еще что переделано? Цитата Поделиться сообщением Ссылка на сообщение Поделиться на других сайтах
ХАБ 158 Жалоба Опубликовано: 17 февраля 2011 Закончил переделку трамблера Р-107 на двигателе УМЗ 451 на зажигание без использование воздушно искрового зазора на трамблере. теперь стоят две двух искровые катушки 3009.3705 и один двух канальный коммутатор 6420.3734. Фото по переделке трамблера выложил в альбоме. Кому поможет буду рад. http://www.gaz69.ru/ipb/index.php?app=gallery&module=user&user=4929&do=view_album&album=17616 Приветствую, Сергей. Хорошее дело сделал. В идеале еще бы добавить датчик детонации и немного электроники к нему. Ну и возить с собой для таежных условий двухканальный коммутатор . Датчики Холла сейчас очень редко выходят из строя. Цитата Поделиться сообщением Ссылка на сообщение Поделиться на других сайтах
bolshoy74 49 Жалоба Опубликовано: 17 февраля 2011 В идеале еще бы добавить датчик детонации и немного электроники к нему. Привет,земляк ХАБ!Если уж заморачиваться на ДД и электронику- зачем полумеры?Ставим шкив со звездой от инжекторного двигателя,ДД,датчик полож.КВ,датчик абсолютного давления,блок управления двиг-м("мозги"),модуль зажигания(или две катушки),датчик температуры есть.Прошивок в инете много (можно на АДАКТ зайти).И всё,трамблёр как класс наф не нужен.Я ещё подумываю шаговый эл.двиг. к возд.заслонке карба приспособить -как на инжекторном:завёл-большие обороты,по мере прогрева-обороты снижаются.Всё это не так сложно осуществить(такая же схема на карбюраторных ГАЗелях),только шкив,собака,дорогущий.Я предлагал эту схему на УАЗбуке,но там со мной не согласились.. Цитата Поделиться сообщением Ссылка на сообщение Поделиться на других сайтах
ХАБ 158 Жалоба Опубликовано: 17 февраля 2011 Привет,земляк ХАБ!Если уж заморачиваться на ДД и электронику- зачем полумеры?Ставим шкив со звездой от инжекторного двигателя,ДД,датчик полож.КВ,датчик абсолютного давления,блок управления двиг-м("мозги"),модуль зажигания(или две катушки),датчик температуры есть.Прошивок в инете много (можно на АДАКТ зайти).И всё,трамблёр как класс наф не нужен.Я ещё подумываю шаговый эл.двиг. к возд.заслонке карба приспособить -как на инжекторном:завёл-большие обороты,по мере прогрева-обороты снижаются.Всё это не так сложно осуществить(такая же схема на карбюраторных ГАЗелях),только шкив,собака,дорогущий.Я предлагал эту схему на УАЗбуке,но там со мной не согласились.. Привет на КМВ! Все это гут, когда есть халявные узлы . Шкивок, конечно,дороговат...Но и мозги с остальными девайсами тоже копеечка. Для повышения ремонтопригодности схемы, предложенной ув.тов. ZSI можно поставить обычный коммутатор и два датчика, развязав катушки через мощные диоды. Цитата Поделиться сообщением Ссылка на сообщение Поделиться на других сайтах
lipetsk69 4 Жалоба Опубликовано: 17 февраля 2011 ...уважаю грамотных парней! Но прелесть газика именно в простоте....три провода, несколько педалей и рычаг с рулём....это ещё и движится....да ещё там где другие с места сдвинуться не могут..... или я не прав? Цитата Поделиться сообщением Ссылка на сообщение Поделиться на других сайтах
Som 46 Жалоба Опубликовано: 17 февраля 2011 (изменено) вечная борьба технического прогресса с простотой и надежностью... хоть и наворачиваю постепенно машину, но в мозгу сидит навязчивая мысль: "а если сломаюсь где нибудь в глуши?" на коленке уже не починишь.... Саня, привет! Изменено 17 февраля 2011 пользователем Som Цитата Поделиться сообщением Ссылка на сообщение Поделиться на других сайтах
valger 7 Жалоба Опубликовано: 17 февраля 2011 (изменено) Ну, тогда уж лучше сделать, как я. Здесь. Никаких проблем, только положительные эмоции. Изменено 17 февраля 2011 пользователем valger Цитата Поделиться сообщением Ссылка на сообщение Поделиться на других сайтах
zsi 2 Жалоба Опубликовано: 18 февраля 2011 (изменено) если можно поподробнее из каких мартериалов шторка? какой коммутатор использован? катушки и тд. и еще что переделано? стоят две двух искровые катушки 3009.3705 и один двух канальный коммутатор 6420.3734. все от ВАЗ или Таврия Приветствую, Сергей. Хорошее дело сделал. В идеале еще бы добавить датчик детонации и немного электроники к нему. Ну и возить с собой для таежных условий двухканальный коммутатор . Датчики Холла сейчас очень редко выходят из строя. +100, добавлю обязательно, для этого все и замутил. Изменено 18 февраля 2011 пользователем zsi Цитата Поделиться сообщением Ссылка на сообщение Поделиться на других сайтах
zsi 2 Жалоба Опубликовано: 18 февраля 2011 (изменено) если можно поподробнее из каких мартериалов шторка? какой коммутатор использован? катушки и тд. и еще что переделано? Материал – сталь с высокими магнитными свойствами, в крайнем случае – низкоуглеродистая мягкая сталь с минимальным количеством примесей Ст0 - Ст3. Иначе искажения выходного сигнала неизбежны. в идеале нужна электротехническая сталь. Изменено 18 февраля 2011 пользователем zsi Цитата Поделиться сообщением Ссылка на сообщение Поделиться на других сайтах
zsi 2 Жалоба Опубликовано: 18 февраля 2011 вечная борьба технического прогресса с простотой и надежностью... хоть и наворачиваю постепенно машину, но в мозгу сидит навязчивая мысль: "а если сломаюсь где нибудь в глуши?" на коленке уже не починишь.... Саня, привет! Есть конечно процент риска, но электронику проще заменить даже в поле, вози с собой коммутатор у будет тебе счастие. Цитата Поделиться сообщением Ссылка на сообщение Поделиться на других сайтах
zsi 2 Жалоба Опубликовано: 18 февраля 2011 ...уважаю грамотных парней! Но прелесть газика именно в простоте....три провода, несколько педалей и рычаг с рулём....это ещё и движится....да ещё там где другие с места сдвинуться не могут..... или я не прав? Прав на все 100, вот для того чтобы двигатся там где другие стоят все и делаю. Вода первый враг трамблера, намок и искра в трамблере летит куда захочет, можно конечно надеть резиновую перчатку на трамблер, но это полумеры. 21 век на дворе, установкой этого девайса постарались решить две задачи: 1 - избавится от образования искры в воздушном зазоре трамблера, 2 - увеличить энергию искры и тем самым зазор на всечах до 0.8 - 0.9, что в свою очередь приведет к лучшему сгоранию топлива и запуску в холод Цитата Поделиться сообщением Ссылка на сообщение Поделиться на других сайтах
zsi 2 Жалоба Опубликовано: 18 февраля 2011 Привет,земляк ХАБ!Если уж заморачиваться на ДД и электронику- зачем полумеры?Ставим шкив со звездой от инжекторного двигателя,ДД,датчик полож.КВ,датчик абсолютного давления,блок управления двиг-м("мозги"),модуль зажигания(или две катушки),датчик температуры есть.Прошивок в инете много (можно на АДАКТ зайти).И всё,трамблёр как класс наф не нужен.Я ещё подумываю шаговый эл.двиг. к возд.заслонке карба приспособить -как на инжекторном:завёл-большие обороты,по мере прогрева-обороты снижаются.Всё это не так сложно осуществить(такая же схема на карбюраторных ГАЗелях),только шкив,собака,дорогущий.Я предлагал эту схему на УАЗбуке,но там со мной не согласились.. Думал и над этим, даже схему нашел, но взвесив все за и против, решил сделать по упрошенной схеме. Намного дешевле и проще. Цитата Поделиться сообщением Ссылка на сообщение Поделиться на других сайтах
zsi 2 Жалоба Опубликовано: 18 февраля 2011 Привет на КМВ! Все это гут, когда есть халявные узлы . Шкивок, конечно,дороговат...Но и мозги с остальными девайсами тоже копеечка. Для повышения ремонтопригодности схемы, предложенной ув.тов. ZSI можно поставить обычный коммутатор и два датчика, развязав катушки через мощные диоды. Так тоже думал сделать, но решил остановится на двух канальном коммутаторе. Цитата Поделиться сообщением Ссылка на сообщение Поделиться на других сайтах
zsi 2 Жалоба Опубликовано: 18 февраля 2011 (изменено) Ну, тогда уж лучше сделать, как я. Здесь. Никаких проблем, только положительные эмоции. Респект, это отличное решение. Но прочитав различные форумы и отзывы пришел к выводу что УМЗ451 до такого состояния наворачивать нет смысла, но это повторяю мой вывод, если делать впрыск то наверное логичнее поставить 406 мотор. Я же решил обойтись вариантом модернизации только зажигания и установке ГБЦ от ГАЗ 24 с двухкамерным карбюратором (пока не решил какой буду ставить К126ГУ, К151, ДААЗ4178-1107010-40 ТУ37.355.043-2001 для двигателей мод. ЗМЗ-402.10 и ЗМЗ-4026.10 с рабочим объемом Vh=2.5 л. автомобилей ГАЗ) Изменено 18 февраля 2011 пользователем zsi Цитата Поделиться сообщением Ссылка на сообщение Поделиться на других сайтах
zsi 2 Жалоба Опубликовано: 18 февраля 2011 А для особо одаренных можно поподробнее - что за зверь, че дает, где ставят? Материал по этой теме собрал в файле, смотрите изучайте и делайте выводы.Обойдемся без бегунка.doc Цитата Поделиться сообщением Ссылка на сообщение Поделиться на других сайтах
bolshoy74 49 Жалоба Опубликовано: 18 февраля 2011 Господа!Зап.части б/у сейчас найти не проблема-утилизация рулит.А вся прелесть микропроцессорной системы -там ломаться нечему(в основном выходят из строя датчики,управляющие впрыском,а у нас только зажигание). Цитата Поделиться сообщением Ссылка на сообщение Поделиться на других сайтах
zsi 2 Жалоба Опубликовано: 18 февраля 2011 Господа!Зап.части б/у сейчас найти не проблема-утилизация рулит.А вся прелесть микропроцессорной системы -там ломаться нечему(в основном выходят из строя датчики,управляющие впрыском,а у нас только зажигание). О каких запчастях речь? С прелесть микропроцессорной системы согласен, но всегда есть вопрос целесообразность установки (соотношение цены к полученному результату), на старый мотор наворачивать все это, мое мнение не нужно, достаточно модернизировать совсем уж утилитарные элементы, один из них это контактный трамблер. Цитата Поделиться сообщением Ссылка на сообщение Поделиться на других сайтах
Радист 1 Жалоба Опубликовано: 18 февраля 2011 О каких запчастях речь? С прелесть микропроцессорной системы согласен, но всегда есть вопрос целесообразность установки (соотношение цены к полученному результату), на старый мотор наворачивать все это, мое мнение не нужно, достаточно модернизировать совсем уж утилитарные элементы, один из них это контактный трамблер. присоединяюсь и благодарю за материал и идею!!! (для начала на ниве проекперементирую а апосля перекину на "козлика") Цитата Поделиться сообщением Ссылка на сообщение Поделиться на других сайтах
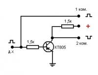
zsi 2 Жалоба Опубликовано: 19 февраля 2011 присоединяюсь и благодарю за материал и идею!!! (для начала на ниве проекперементирую а апосля перекину на "козлика") Сегодня столкнулся с отсутствием двух-канальных коммутаторов в продаже, не смог найти ни в одном магазине нашего города. Подумав немного и погуглив нашел решение этой проблемы. Если двух канальный коммутатор работает и по переднему фронту с датчика холла 1-4 целиндры и по заднему 2-3 целиндры то почему бы не использовать два обычных коммутатора, которые есть в каждом магазине, например 95.3734, подключив их через простой инвертор на одном транзисторе, все будет работать как в варианте с двух канальным 951.3734 или 6420.3734. Схему инвертора нашел на сайте UAZBUKA. Цитата Поделиться сообщением Ссылка на сообщение Поделиться на других сайтах
ХАБ 158 Жалоба Опубликовано: 19 февраля 2011 Сегодня столкнулся с отсутствием двух-канальных коммутаторов в продаже, не смог найти ни в одном магазине нашего города. Подумав немного и погуглив нашел решение этой проблемы. Если двух канальный коммутатор работает и по переднему фронту с датчика холла 1-4 целиндры и по заднему 2-3 целиндры то почему бы не использовать два обычных коммутатора, которые есть в каждом магазине, например 95.3734, подключив их через простой инвертор на одном транзисторе, все будет работать как в варианте с двух канальным 951.3734 или 6420.3734. Схему инвертора нашел на сайте UAZBUKA. Та вот тож Цитата Поделиться сообщением Ссылка на сообщение Поделиться на других сайтах
Радист 1 Жалоба Опубликовано: 19 февраля 2011 Сегодня столкнулся с отсутствием двух-канальных коммутаторов в продаже, не смог найти ни в одном магазине нашего города. Подумав немного и погуглив нашел решение этой проблемы. Если двух канальный коммутатор работает и по переднему фронту с датчика холла 1-4 целиндры и по заднему 2-3 целиндры то почему бы не использовать два обычных коммутатора, которые есть в каждом магазине, например 95.3734, подключив их через простой инвертор на одном транзисторе, все будет работать как в варианте с двух канальным 951.3734 или 6420.3734. Схему инвертора нашел на сайте UAZBUKA. а не великоват ли КТ 805 для полупроводникового датчика??? пока параметров ДХ ненашел. Но чую он долго с ентим инвертором не протянет нужно нечто поменее мощное т.к. 1.для проверки ДХ используется вольтметр а не лампочка 2.лень идти в гараж :-) но если не обшибаюсь аварийное зажигание АЗ-1 включаемое в замен ДХ собрано на микросхемке 561 серии с Iвых 0,45 мА если не обшибаюсь что очень мало для КТ 805 и заранее обрекает ДХ к помещению в помойку ЕНТО СУГУБО МОЕ МНЕНИЕ!!! НО НУНО ПРОВЕРИТЬ! завтра поиграюсь! Цитата Поделиться сообщением Ссылка на сообщение Поделиться на других сайтах
ХАБ 158 Жалоба Опубликовано: 19 февраля 2011 (изменено) а не великоват ли КТ 805 для полупроводникового датчика??? Безусловно,великоват. А вот КТ805БМ в пласиковом корпусе пойдет. Причем ,довольно терпеливый девайс Конечно, лучше подобрать по мах усилению. будет работать . Изменено 19 февраля 2011 пользователем ХАБ 1 Цитата Поделиться сообщением Ссылка на сообщение Поделиться на других сайтах
ХАБ 158 Жалоба Опубликовано: 19 февраля 2011 Все это, конечно.хорошо...Но изначально задача ставилась убрать механику. Вот и надо то всего один двухканальник или другие варианты в запасе.,. Цитата Поделиться сообщением Ссылка на сообщение Поделиться на других сайтах