kirill4wd 2 Жалоба Опубликовано: 9 января 2013 Всем привет! Внимательно прочел темы, год назад купил серьги от ГАЗ 24, седня отнес токарю чтоб тот переточил под 69-ые... сняли размер пальца с родной серьги ( диаметр 16мм) и с 24-ой серьги (диаметр 15мм) втулки на 24-ой под 16мм болтаются на пальцах. Насколько это критично? Точить новые? Ктонибудь замерял диаметр пальцев сережек от 24-ки? Может мне китай достался или практикант неопытный точил??? Цитата Поделиться сообщением Ссылка на сообщение Поделиться на других сайтах
алексей белянков 3 Жалоба Опубликовано: 10 января 2013 Всем привет! Внимательно прочел темы, год назад купил серьги от ГАЗ 24, седня отнес токарю чтоб тот переточил под 69-ые... сняли размер пальца с родной серьги ( диаметр 16мм) и с 24-ой серьги (диаметр 15мм) втулки на 24-ой под 16мм болтаются на пальцах. Насколько это критично? Точить новые? Ктонибудь замерял диаметр пальцев сережек от 24-ки? Может мне китай достался или практикант неопытный точил??? Болтаться не должны-махом сожрет втулку.С Г-21 одинаковые(только длиннее),про 24-ку не знаю.Переточить,однако,надо.Может,попробовать как нибудь на клей посадить или на палец намотать-приклеить полоску резины,чтобы плотно села втулка? Цитата Поделиться сообщением Ссылка на сообщение Поделиться на других сайтах
Федот68 4 331 Жалоба Опубликовано: 10 января 2013 Втулки 24 - гораздо длиннее 69 ( под 60 мм рессору и под 45 мм). Просто обрезать их надо не "тик в тик", а с припуском "на обжатие". Резине при затяжке серьгой деваться будет некуда - и уберёт она лишний зазор по диаметру.... Насколько длиннее ? - мне кажется - на 6-7-10 мм. ( опытным путём подберёшь) Цитата Поделиться сообщением Ссылка на сообщение Поделиться на других сайтах
kirill4wd 2 Жалоба Опубликовано: 10 января 2013 Седня попал к ТОКАРЮ, тот посмотрел на это барохло и вытачил новые пальцы 16-го диаметра, под размер 69-ых рессор и под 24-ые серьги. Прикинул к раме - все отлично встает! И еще, заехал в магаз со штангелем, там взял серьгу от 24-ой волги и замерил диаметр пальца - 16мм! Значится все зависит от производителя! Также посмотрел газелевские у них все проще две планки и два болта, диам 16мм, точить ниче ненадо, просто прогнать резьбу подальше и обрезать лишнее! Всем спасибо за поддержку и за ответы! Цитата Поделиться сообщением Ссылка на сообщение Поделиться на других сайтах
сергей 79 1 Жалоба Опубликовано: 10 января 2013 В газелях вместо резинки - сайлентблок со стальной трубкой. В нашем случае для исключения поперечного смещения уха рессоры пальцы должны быть запрессованы в одно ухо неподвижно. Цитата Поделиться сообщением Ссылка на сообщение Поделиться на других сайтах
lexx_nk 9 Жалоба Опубликовано: 11 января 2013 Имено. И в самих пластинах серег дырки большие, без сайлентблока серьга такая вообще в ромбик превратится. Так что без разных ухищрений газелевские на 69-й не канает. Цитата Поделиться сообщением Ссылка на сообщение Поделиться на других сайтах
kirill4wd 2 Жалоба Опубликовано: 11 января 2013 Попробую изготовить новодел, максимально приближенный к родной серьге. Цитата Поделиться сообщением Ссылка на сообщение Поделиться на других сайтах
maxslawa 0 Жалоба Опубликовано: 13 февраля 2013 В газелях вместо резинки - сайлентблок со стальной трубкой. В нашем случае для исключения поперечного смещения уха рессоры пальцы должны быть запрессованы в одно ухо неподвижно. А если в одном ухе эти хорошенько проварить, смещения же не будет? Цитата Поделиться сообщением Ссылка на сообщение Поделиться на других сайтах
lexx_nk 9 Жалоба Опубликовано: 13 февраля 2013 можно наверное. но в щеке отверстие миллиметра на 3 по диаметру больше, чем палец. поэтому поджимать как-то надо палец и центровать, ато в сумме длины серег могут очень разные получиться, или перпендикулярность нарушится. я отказался, сделал из патриотовских. получилось, что и с ними даже фланцы мостов заметно ушли от горизонтали, так что на газелевские уже и не смотрю Цитата Поделиться сообщением Ссылка на сообщение Поделиться на других сайтах
maxslawa 0 Жалоба Опубликовано: 13 февраля 2013 Можно по подробнее о патриотовских серьгах, у меня сейчас тоже проблема в замене серег, резинок, и верхнего крепления, которое к раме крепится. От чего можно резинки подобрать? Цитата Поделиться сообщением Ссылка на сообщение Поделиться на других сайтах
lexx_nk 9 Жалоба Опубликовано: 13 февраля 2013 (изменено) я полиуретаном обошелся. удобно - для ГАЗ-21 (69) нужного размера продаются. Надоело 24-е пилить, да и резина - просто сажа, хватает ненадолго. А с запасом длину делать, чтоб садились плотней, так гайки фиг навернешь. В общем однажды достало ). Серьги: просто купил пластины 3160 (попались на глаза, понравились), прикинул - сантиметра на 3 подлиньше родных. заказал токарю пальцы нашего размера (отдал газелевские укоротить, а он мне болты вернул, а пальцы нормальные сделал), потом где надо - щеки рассверлил (до 14, или 16 - уже не помню какой у наших диаметр), вварил пальцы, подправил (пластинки от сварки ведет), и собрал. Всё. Изменено 13 февраля 2013 пользователем lexx_nk Цитата Поделиться сообщением Ссылка на сообщение Поделиться на других сайтах
maxslawa 0 Жалоба Опубликовано: 13 февраля 2013 Спасибо за ответ, а полиретановые где заказывал? Цитата Поделиться сообщением Ссылка на сообщение Поделиться на других сайтах
lexx_nk 9 Жалоба Опубликовано: 13 февраля 2013 названия точно не помню, какое-то одноименное, типа НПО "полиуретан", или подобное, в интернет-магазине короче. Цитата Поделиться сообщением Ссылка на сообщение Поделиться на других сайтах
костяныч 195 Жалоба Опубликовано: 13 февраля 2013 А если в одном ухе эти хорошенько проварить, смещения же не будет? прогони резьбу на болтах и отреж лишнее. головки болтов обвари к одной планке и все, у меня вообще необваренные стоят и ниче, просто рсчитал чтоб затянутая до конца резьбы гайка незажимала резинки до конца Цитата Поделиться сообщением Ссылка на сообщение Поделиться на других сайтах
maxslawa 0 Жалоба Опубликовано: 13 февраля 2013 прогони резьбу на болтах и отреж лишнее. головки болтов обвари к одной планке и все, у меня вообще необваренные стоят и ниче, просто рсчитал чтоб затянутая до конца резьбы гайка незажимала резинки до конца Спасибо, я об этом и думал, смысла по другому заморачаваться думаю нет, а если уж начнет как-то выворачивать, будем дальше думать. Конечно туда какой-нибудь сайленблок загнать, да затянуть нормально, былобы супер. Цитата Поделиться сообщением Ссылка на сообщение Поделиться на других сайтах
костяныч 195 Жалоба Опубликовано: 13 февраля 2013 Спасибо, я об этом и думал, смысла по другому заморачаваться думаю нет, а если уж начнет как-то выворачивать, будем дальше думать. Конечно туда какой-нибудь сайленблок загнать, да затянуть нормально, былобы супер. у нас в магазах есть сайлентблоки на волгу, из них можно в домашних условиях изготовить и для наших рессор, чем планирую заняться в будущем Цитата Поделиться сообщением Ссылка на сообщение Поделиться на других сайтах
LND_Inquisitor 1 882 Жалоба Опубликовано: 13 февраля 2013 я полиуретаном обошелся. удобно - для ГАЗ-21 (69) нужного размера продаются. Надоело 24-е пилить, да и резина - просто сажа, хватает ненадолго. Так можно от 24-ки покупать полиуретановые, их резать и всё отлично работает Цитата Поделиться сообщением Ссылка на сообщение Поделиться на других сайтах
lory 197 Жалоба Опубликовано: 13 февраля 2013 От 24-ки есть везде, стоят копеек. Режется ножом, лучше по оправке под размер. Оправка из подходяшего по диаметру отрезка трубки. Цитата Поделиться сообщением Ссылка на сообщение Поделиться на других сайтах
костяныч 195 Жалоба Опубликовано: 13 февраля 2013 От 24-ки есть везде, стоят копеек. Режется ножом, лучше по оправке под размер. Оправка из подходяшего по диаметру отрезка трубки. Я штангелем очерчиваю и режу тонким острым ножом, отрезаю 11мм Цитата Поделиться сообщением Ссылка на сообщение Поделиться на других сайтах
maxslawa 0 Жалоба Опубликовано: 13 февраля 2013 (изменено) Блин ребят, спасибо большое помогли, теперь хотябы какой-то ориентир имею. Впервые с такой машиной занимаюсь, хотя купил ее почти 2 года назад и вот решил ее до ума довести, думал все просто будет, а газик просто так еще никому наверное не давался!!! Изменено 13 февраля 2013 пользователем maxslawa Цитата Поделиться сообщением Ссылка на сообщение Поделиться на других сайтах
костяныч 195 Жалоба Опубликовано: 13 февраля 2013 Блин ребят, спасибо большое помогли, теперь хотябы какой-то ориентир имею. Впервые с такой машиной занимаюсь, хотя купил ее почти 2 года назад и вот решил ее до ума довести, думал все просто будет, а газик просто так еще никому наверное не давался!!! :derisive: :derisive: Цитата Поделиться сообщением Ссылка на сообщение Поделиться на других сайтах
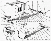
Stargazer 72 Жалоба Опубликовано: 20 декабря 2014 Подскажите пожалуйста, в какой последовательности собирается переднее крепление задней рессоры. И где стоит эта шайба? По рисунку непонятно. http://www.retrodetal.ru/detail/5840-21/ Цитата Поделиться сообщением Ссылка на сообщение Поделиться на других сайтах
lexx_nk 9 Жалоба Опубликовано: 20 декабря 2014 (изменено) Можно посмотреть еще "Каталог запасных частей автомобилей ГАЗ-69, ГАЗ-69А".-М.МАШГИЗ, 1957 г.Палец с шайбой t16 мм всборе пихается снаружи. У меня, поскольку нет спец ключа, большая гайка наварена на эту шайбу еще прежним хозяином.Может что запамятовал, давненько упражнялся с этим со времен перехода на полиуретан (тьфу три раза чтоб не сглазить ), но вроде так собирал: внутреннюю втулку ставим в ухо рессоры, рессору - в кронштейн, потом внешнюю втулку с шайбой и пальцем вставляем снаружи, наживляем изнутри гайку, потом присматривая, чтобы втулки влезали без перекосов, а указанная шайба вошла в отверстие кронштейна, всё это дело затягиваем до упора. Изменено 20 декабря 2014 пользователем lexx_nk Цитата Поделиться сообщением Ссылка на сообщение Поделиться на других сайтах
Stargazer 72 Жалоба Опубликовано: 20 декабря 2014 (изменено) Внизу слева фрагмент Изменено 20 декабря 2014 пользователем Stargazer Цитата Поделиться сообщением Ссылка на сообщение Поделиться на других сайтах
Stargazer 72 Жалоба Опубликовано: 20 декабря 2014 Судя по этому рисунку, шайба ставится со стороны "шляпки" Цитата Поделиться сообщением Ссылка на сообщение Поделиться на других сайтах