деточкин 667 Жалоба Опубликовано: 8 мая 2012 Андрей,это фото примерки или завершенная конструкция? Трёх болтов крепления шкива КВ не хватает. Цитата Поделиться сообщением Ссылка на сообщение Поделиться на других сайтах
E_Gor 210 Жалоба Опубликовано: 9 мая 2012 Готовая. Сделано было уже полгода назад. Надо будет обратить внимние, разве там на шести болтах крепится? Да, на самом шкиве вижу, шесть, а сколько на ответной части уже и не помню... Как правило делаю сразу, ведь мыслей снимать уже нет. С этим шкивом мало-мало косячок вышел... Мотор 451М, а шкив не родной... Сразу не смог завести... Метки ВМТ на этом шкиве и родном находятся в разных местах и еще пришлось удалять метку ВМТ, которая расположена на крышке шестерен передач. Диаметры шкивов разные. Ставил старый шкив, выставлял ВМТ и после замены ставил метку на новом шкиве. Цитата Поделиться сообщением Ссылка на сообщение Поделиться на других сайтах
деточкин 667 Жалоба Опубликовано: 9 мая 2012 Готовая. Сделано было уже полгода назад. Надо будет обратить внимние, разве там на шести болтах крепится? Скорее всего в ступице три отверстия.Ты поставил основной шкив с демпфером от УМЗ-417 и шкив для ГУРа с УМЗ-4215 с "Газели",верно? Для такого бутерброда три болта маловато будет.В продаже ступицы с шестью отверстиями есть,ну или самому просверлить и резьбу нарезать.По отверстиям все шкивы подойдут. http://images.yandex...10739&noreask=1 Цитата Поделиться сообщением Ссылка на сообщение Поделиться на других сайтах
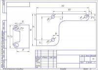
E_Gor 210 Жалоба Опубликовано: 9 мая 2012 (изменено) Не, Сергей, никакого бутерброда нет, шкив - одно целое. Сейчас не скажу его каталожный номер. С демпфером, двухручейный. Ну и до кучи чертежик деталей для изготовления кронштейна. Состоит из двух деталей, затем сварка рулит при установке на место. Изменено 9 мая 2012 пользователем E_Gor Цитата Поделиться сообщением Ссылка на сообщение Поделиться на других сайтах
RUSTAMICH 0 Жалоба Опубликовано: 1 сентября 2012 доброго вечера. установлен 406 мотор какой подойдет гур. рама 69.спасиб Цитата Поделиться сообщением Ссылка на сообщение Поделиться на других сайтах
triker 468 Жалоба Опубликовано: 1 сентября 2012 А у меня вокак. http://www.guran75.ru/forumlubiteleivnedoroznikov/%D0%94%D0%B5%D0%BB%D0%B0%D0%B5%D0%BC-%D0%93%D0%90%D0%97-69/15-%D0%A3%D1%80%D0%B0!-%D0%AF-%D0%BA%D1%83%D0%BF%D0%B8%D0%BB-%D0%BD%D0%B0%D1%81%D1%82%D0%BE%D1%8F%D1%89%D0%B8%D0%B9-%D0%B1%D0%B5%D0%B7%D0%B4%D0%BE%D1%80%D0%BE%D0%B6%D0%BD%D0%B8%D0%BA!.html?limit=6&start=300 Цитата Поделиться сообщением Ссылка на сообщение Поделиться на других сайтах
pavel78 1 Жалоба Опубликовано: 26 октября 2012 День добрый. Может конечно пропустил но есть ли возможность установки ГУРа на" Газон" с м-20 , мосты военные, рама родная. Цитата Поделиться сообщением Ссылка на сообщение Поделиться на других сайтах
Nedson 0 Жалоба Опубликовано: 11 ноября 2012 так а тебе зачем? руль что-ли плохо крутится? или просто делать нечего? у меня руль спокойно пальцем крутится на грунте, и мне кажется что у всех такое должно быть =) Цитата Поделиться сообщением Ссылка на сообщение Поделиться на других сайтах
E_Gor 210 Жалоба Опубликовано: 11 ноября 2012 так а тебе зачем? руль что-ли плохо крутится? или просто делать нечего? у меня руль спокойно пальцем крутится на грунте, и мне кажется что у всех такое должно быть =) Разве стоит вопрос о необходимости? Да, конструкция получается сложнее, но немного безопасней. С учетом того, что рулевой вал не останется ломом, а все-таки будет обезопашен карданчиками. Да, родное рулевое весьма и весьма легкое, но и усилитель не будет лишним, а ставится несложно (с неродным мотором). Цитата Поделиться сообщением Ссылка на сообщение Поделиться на других сайтах
pavel78 1 Жалоба Опубликовано: 12 ноября 2012 так а тебе зачем? руль что-ли плохо крутится? или просто делать нечего? у меня руль спокойно пальцем крутится на грунте, и мне кажется что у всех такое должно быть =) Руль крутится нормально ,но автомобиль эксплуатируется в условиях бездорожья (иногда достаточно тяжелого) и удержать его иногда бывает ой как тяжело, а бывает и вовсе не получается. Пальца побаливают . Разве стоит вопрос о необходимости? Да, конструкция получается сложнее, но немного безопасней. С учетом того, что рулевой вал не останется ломом, а все-таки будет обезопашен карданчиками. Да, родное рулевое весьма и весьма легкое, но и усилитель не будет лишним, а ставится несложно (с неродным мотором). В этом-то и дело что с неродным. Вариантов конечно тьма но с родным мотором ни одного примера не нашел. Или просто не нашел. Цитата Поделиться сообщением Ссылка на сообщение Поделиться на других сайтах
Вячеслав 7 565 Жалоба Опубликовано: 12 ноября 2012 Руль крутится нормально ,но автомобиль эксплуатируется в условиях бездорожья (иногда достаточно тяжелого) и удержать его иногда бывает ой как тяжело, а бывает и вовсе не получается. Пальца побаливают . strangecar (24.10.2003, 11:21) писал: ALEX (RANET): Я помню мне в стройотряде предложили ездить на 157, и я решил проехать по двору стройконторы. Так вот, сначала при переключении с 1 на 2 передачу без двойного выжима меня долбануло рычагом КПП по руке, а потом я наехал на половинку кирпича, так мне спицей руля чуть палец большой не вывернуло. Вобщем я остановился, подумал, включил заднюю и поставил машину на стоянку. Через день дали КАМАЗ 4310. Раньше руль учили держать открытым хватом, большой палец по ободу-не выбьет никогда, а вторая на нём с синхроном, да и свозит он с места легко на второй.Изумительный автомобиль, знает своё дело.На Севере его зовут, кто "ступа", кто "Труменом". Цитата Поделиться сообщением Ссылка на сообщение Поделиться на других сайтах
pavel78 1 Жалоба Опубликовано: 12 ноября 2012 strangecar (24.10.2003, 11:21) писал: ALEX (RANET): Я помню мне в стройотряде предложили ездить на 157, и я решил проехать по двору стройконторы. Так вот, сначала при переключении с 1 на 2 передачу без двойного выжима меня долбануло рычагом КПП по руке, а потом я наехал на половинку кирпича, так мне спицей руля чуть палец большой не вывернуло. Вобщем я остановился, подумал, включил заднюю и поставил машину на стоянку. Через день дали КАМАЗ 4310. Раньше руль учили держать открытым хватом, большой палец по ободу-не выбьет никогда, а вторая на нём с синхроном, да и свозит он с места легко на второй.Изумительный автомобиль, знает своё дело.На Севере его зовут, кто "ступа", кто "Труменом". И меня в свое время учили держать руль открытым хватом , но в грязях и держать надо ойойой как и рулить еще так что приходится выбирать. Вобщем будем думать. Цитата Поделиться сообщением Ссылка на сообщение Поделиться на других сайтах
Вячеслав 7 565 Жалоба Опубликовано: 12 ноября 2012 (изменено) Выбирать???!! А из чего?! ....у меня на руках только два больших пальца.....а у тебя? Изменено 12 ноября 2012 пользователем Вячеслав Цитата Поделиться сообщением Ссылка на сообщение Поделиться на других сайтах
Evgen 007 281 Жалоба Опубликовано: 14 ноября 2012 В итоге мужчины, какой ГУР самый бюджетный? И какие дополнения надо приобрести для установки на газик. Цитата Поделиться сообщением Ссылка на сообщение Поделиться на других сайтах
E_Gor 210 Жалоба Опубликовано: 14 ноября 2012 (изменено) В итоге мужчины, какой ГУР самый бюджетный? И какие дополнения надо приобрести для установки на газик. Дык... может попробуете снова перелистать тему и решить для себя, что же вы хотите установить. Присутствует несколько вариантов и предложений по установке. Схемы, фотографии, чертежи были предложены и даже разжеваны. Перечень дополнений имеется, даже с некоторыми каталожными номерами. Список изменений тоже есть...Бюджетней всего будет ничего не делать, раз уж на то пошло... Обратите внимание на сообщения 5, 7, 26, 28, 31, 41, 57, 69. А так же подробный процесс установки, описанный мною в сообщениях 74, 76, 150, 154... Не поленился, перелистал, переписал... Изменено 14 ноября 2012 пользователем E_Gor Цитата Поделиться сообщением Ссылка на сообщение Поделиться на других сайтах
Evgen 007 281 Жалоба Опубликовано: 14 ноября 2012 К сожалению я новичок в этом клубе. Хотя стал обладателем чудо автомобиля уже как 2 года. Всех тезисов еще не разобрал. Вот решил заняться своим другом. По этому хотелось бы поконкретнее что надо купить, какой практической. Во общем буду изучать. Цитата Поделиться сообщением Ссылка на сообщение Поделиться на других сайтах
ПИЛлАУ 485 Жалоба Опубликовано: 14 ноября 2012 Смотря в каком состоянии родная рама,на живой и то необходимо усиливать переднюю часть и ставить распор,а то сломает наф... Поэтому не торопись с ГУРом. Цитата Поделиться сообщением Ссылка на сообщение Поделиться на других сайтах
Evgen 007 281 Жалоба Опубликовано: 17 ноября 2012 Рвспор? куда? как это выглядит есть ли фото у кого нибудь? Цитата Поделиться сообщением Ссылка на сообщение Поделиться на других сайтах
круазик 1 Жалоба Опубликовано: 17 ноября 2012 уважаемые ФОРУМЧАНЕ! из моего опыта,я понял ставить ГУР от 78 крузера бюджетно .он работает на полную.20-лет не срок для него.по теме ,инсталировал в уазики и ГАЗЫ пашет без проблем.единственное препятствие переваривание сошки /размер пальца другой/ но квалифицированный сварщик может сделать.насос можно и уазкин взять.ИМХО. Цитата Поделиться сообщением Ссылка на сообщение Поделиться на других сайтах
ПИЛлАУ 485 Жалоба Опубликовано: 17 ноября 2012 ГУР от Крузака БЮДЖЕТНО???Наверное во Владике...А сошку переваривать не надо,надо родной наконечник с куском тяги переварить на НАШУ короткую тягу. Хорошо встают ГУРы от "Опель","БМВ",от "Мерса" посложнее,вот они бюджетно!,но обратного вращения,но и это не прблема. Уж лучше приложить руки и внедрить "буржуя" и забыть,чем постоянно помнить НАШ автопром... Цитата Поделиться сообщением Ссылка на сообщение Поделиться на других сайтах
Andxxrq 1 Жалоба Опубликовано: 2 декабря 2012 Подскажите на 417 двигле нет шпилек для крепления гура. Как быть? Цитата Поделиться сообщением Ссылка на сообщение Поделиться на других сайтах
E_Gor 210 Жалоба Опубликовано: 2 декабря 2012 (изменено) Подскажите на 417 двигле нет шпилек для крепления гура. Как быть? Коллега, ну посмотри внимательно эту тему!!! Намекаю, сообщение №№ 150... и 154... Изменено 2 декабря 2012 пользователем E_Gor Цитата Поделиться сообщением Ссылка на сообщение Поделиться на других сайтах
Andxxrq 1 Жалоба Опубликовано: 2 декабря 2012 Спасибо все срисовал. А шпильку засверливать на какую глубину? Цитата Поделиться сообщением Ссылка на сообщение Поделиться на других сайтах
ПИЛлАУ 485 Жалоба Опубликовано: 2 декабря 2012 На глубину шпильки.... Цитата Поделиться сообщением Ссылка на сообщение Поделиться на других сайтах
speedoff 3 826 Жалоба Опубликовано: 2 декабря 2012 Андрюх, неужто решил газон к жизни возвращать после годовалого простоя на стоянке? Цитата Поделиться сообщением Ссылка на сообщение Поделиться на других сайтах