Перейти к публикации
Конференция ГАЗ-69
SASHASHILL

Помогите опознать полуавтомат.

Рекомендованные сообщения

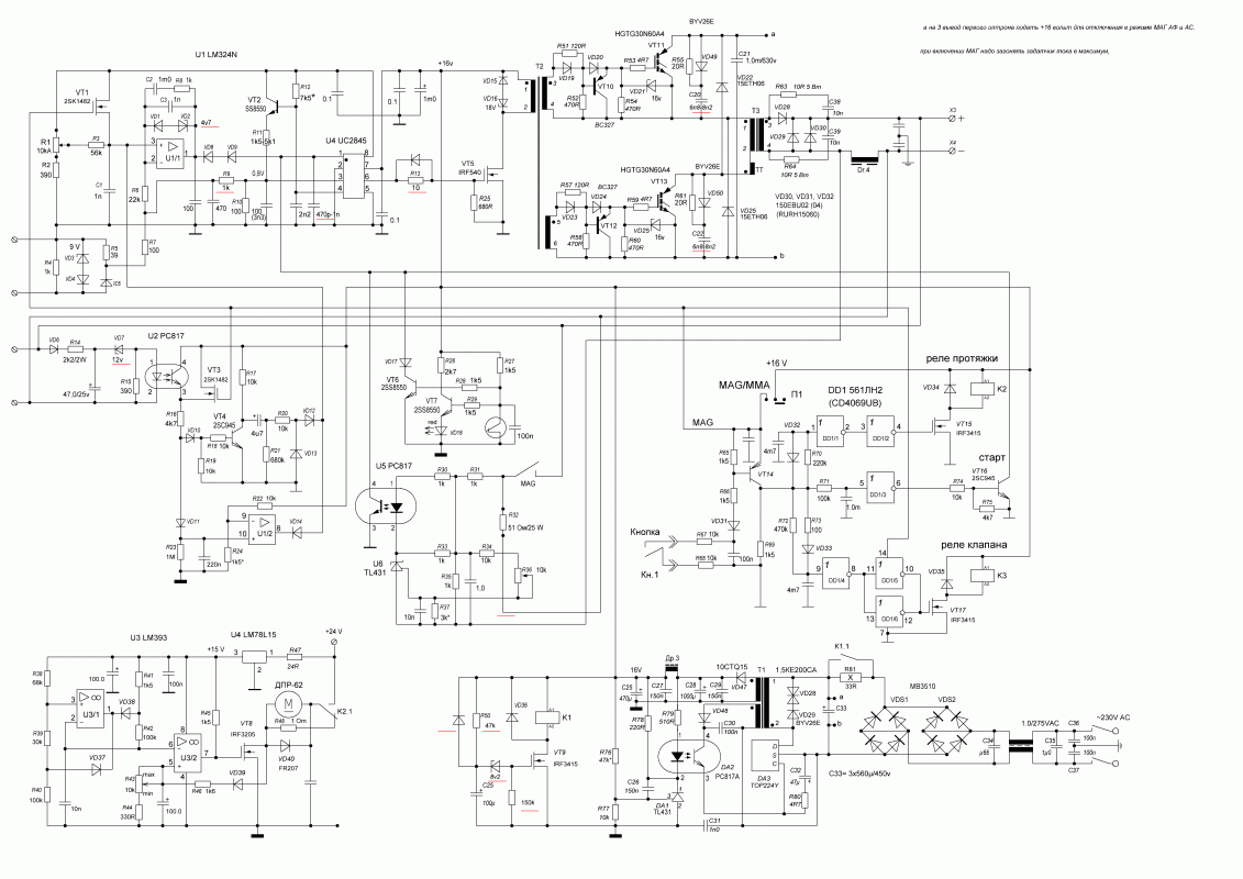
Ребят, в общем отдали мне вот такой аппарат, нужно установить марку/модель, еще лучше если есть электрическая схема, буду премного благодарен :)

дело в том что грызуны его малость пожрали(проводку), и востановить его без схемы мне будет не легко :((

post-7960-0-94849500-1372416593_thumb.jpg

post-7960-0-47194600-1372416601_thumb.jpg

post-7960-0-38562500-1372416615_thumb.jpg

Поделиться сообщением


Ссылка на сообщение
Поделиться на других сайтах

По компоновке похож на древний ПДГ...а они что, провода пооткусывали?!

Поделиться сообщением


Ссылка на сообщение
Поделиться на других сайтах

Это кэмпомат, похожий в гараже стоит, мелкий сжег транс. остальное работает. Схема где-то была, но надо искать и результат не 100 %, мог выбросить.

Поделиться сообщением


Ссылка на сообщение
Поделиться на других сайтах

А оно надо ?

Третьего дня купил "по случаю" очередной "Линкор" себе "в коллекцию".

Теперь - инверторный. 250А максималки ( Линкор-Семали ПДГ250 вроде как его имечко).

Инверторник против трансформаторника - вещЪ.

Купил недорого - за 10 тыров ( новый год тому стоил 25. ныне "250М" эти 25 стоит - он компактнее и умнее ...Да и ММА сварка в нём есть)

Может подкопить денежку и купить нормальный инверторный сварочник ? ( максималки хотя бы 160А, лучше - 200 )

А этот раритет - только из любви к искусству восстановления старых девайсов  если только ремонтировать.

Ну - как старинную "моторолку" сотовую ( что "с крышечкой" и  выдвижной антеннкой ещё ....)

Поделиться сообщением


Ссылка на сообщение
Поделиться на других сайтах

Конечно инверторный лучше... но лаве на него пока-что нет :(...

В будущем всеравно думаю куплю, а пока и на этом надрочусь, сейчас опыта сварки на полуавтомате не имею, а когда он у меня будет, я буду чётко знать, каким требованиям должен отвечать нормальный аппарат:) 

А восстановить его плевое дело, делов на пару часиков с перекурами !! имея в руках схему, ну а без нее поипацо придется:(, мыши покусали тонкую проводку, местами по 2-3 провода в жгуте, а провода все одного цвета.

 

Виктор1976, поищи пож. схемку.

Поделиться сообщением


Ссылка на сообщение
Поделиться на других сайтах

Я перерыл весь инет, и безрезультатно, ни схемы, ни даже фото данного аппарата не нащел :(

В принципе силовую часть уже наладил, седня включал, работает :), осталось разобраться с подачей проволоки, внимательно изучив схему регулятора подачи(срисовал ее с печатной платы), я решил что она громоздка и не совершенна.

короче буду ваять новую на более современный лад 8)

Изменено пользователем SASHASHILL

Поделиться сообщением


Ссылка на сообщение
Поделиться на других сайтах

Если поможет - схемы  трансформаторных "Линкоров" ( ПДГ160-200-201) разных лет выпуска ( три штуки) могу выслать.

Для этого надо на работе найти паспорта и отсканировать их.

Изменено пользователем Федот68

Поделиться сообщением


Ссылка на сообщение
Поделиться на других сайтах

Сергей, спасибо, я в инете нарыл похожую схему, различия в деталях небольшие, кстати не указана цепь кнопки и обмотка реле :)

 

Федот, если тебя это не сильно затруднит, схемы не помешают, может в "Линкорах" тоже какие-нить грамотные технические решения есть.

может сканы здесь и выложить ?! авось не только мне помогут:)

Поделиться сообщением


Ссылка на сообщение
Поделиться на других сайтах

На схеме контакт реле включающий подачу, а кнопка или на обмотку реле, или на прибамбасы: предгаз, посгаз, прерывистая сварка. Если есть желание мозг взорвать вечером ссылку кину. Кстати как у тебя ток регулируется обмотками или тиристорами?

Поделиться сообщением


Ссылка на сообщение
Поделиться на других сайтах

Не ссылку не надо, я ж говорю у меня похожая схема только более подробная и с описанием :)

Ток регулируется отводами от первичной обмотки транса, пять положений, думаю сгодится.

Вот думаю чем коммутировать вкл/выкл.? поставить релюху или тиристор, что предпочтительнее ?

До этого, там стоял огромный мощный контактор(на фото), видно какой-то "спец" делал. :laugh:

Поделиться сообщением


Ссылка на сообщение
Поделиться на других сайтах

Я бы не стал с тириками заморачиваться-реле или маленький контактор, но он брякает.

Поделиться сообщением


Ссылка на сообщение
Поделиться на других сайтах

Я тоже больше склоняюсь к релюхам, думал поставить автомобильные, что включают дальний свет или клаксон, они ток выдержат и изоляция достаточная, только не с магазина (там кЕтай галимый) а надербанить с машин на разборке:)

Поделиться сообщением


Ссылка на сообщение
Поделиться на других сайтах

Камрады, есть вопрос, вопрос для тех кто работает П/А не со вчерашнего дня, в общем для опытных :)

Нужна-ли/желательна задержка подачи проволоки, или достаточно чтобы включалось все сразу - клапан газа, ток, подача ?? я это к тому что рукав длинный, и при одновременном включении, какое-то время сварка будет идти без газа(пока он дойдет, 1-2сек.) 

В идеале весь процесс я вижу так - при нажатии кнопки сразу включается газ и ток, затем через 1сек.(+-) включается подача проволоки, далее при отпускании кнопки, выключается проволока, затем(секунда, мож меньше) отк. газ и ток.

Прав-ли я ?? 

Поделиться сообщением


Ссылка на сообщение
Поделиться на других сайтах

Нет.

Всё одновременно. Как основной режим - однозначно.

Вот задержка газа "постфактум" - невредно.

Ну а газ - он никуда из канала в горелке не девается.

Задержка же начала работы от кнопки - раздражает зело. Иногда приходится "курком работать" - когда дырку там заплавить надо иль просто гнильцу подлечить.....

 

Ну а подача проволоки и тока - вообще очень плотно обязаны быть завязаны.

Кроме синхронности во времени - от "силы тока" ( рабочего напряжения  дуги) обязательно должна быть завязана и скорость проволоки.

То есть один раз выставил "под руку, проволоку и т. п"  - и только переключая "силу тока" дальше работаешь.

Иначе - задолбаешься каждый раз режим подбирать.

А "силу тока" порой приходится подправлять в зависимости даже не от толщины свариваемого материала, а и от пространсвенного положения шва. 

Изменено пользователем Федот68

Поделиться сообщением


Ссылка на сообщение
Поделиться на других сайтах

Спасиб Федот !

Уже легче, значит только задержку на отключение газа сделаю и усе, тады схема совсем простая будет :))

Поделиться сообщением


Ссылка на сообщение
Поделиться на других сайтах

Не нужна эта задержка отключения, будет лишний расход.

Поделиться сообщением


Ссылка на сообщение
Поделиться на других сайтах

Опа, мнения разделились ! :))

Хорошо, тогда так - обьсните, для чего нужна задерка выключения газа или почему она не нужна !?

Сам склоняюсь к тому что задержка все-таки нужна, хотя для чего она я не знаю, просто в большинстве электрических схем, мною изученных, присутствует техническое решение обеспечивающие сие ...

Ну а расход не особо волнует(не для бизнеса ведь), лучше хорошо варить, чем экономя страдать :))

Поделиться сообщением


Ссылка на сообщение
Поделиться на других сайтах

Объясняют это тем что, пока шов не остыл, защитить его газом. Схемно сделай-легче отключить чем потом доделывать.

Изменено пользователем Сергей ЕКБ

Поделиться сообщением


Ссылка на сообщение
Поделиться на других сайтах

Я думал о более длительной, чем полсекунды. У меня СЭЛМА с 94-го года, всё от контактора включается.

Поделиться сообщением


Ссылка на сообщение
Поделиться на других сайтах

Объясняют это тем что, пока шов не остыл, защитить его газом. Схемно сделай-легче отключить чем потом доделывать.

Чтоб шов не окислялся !? Аргументировано ! :)

А сделать плевое дело - всего-то поставить кондер-электролит впараллель катушке клапана, и от его емкости будет зависить время задержки (подобрать опытным путем).

Отключить еще проще. :)

Поделиться сообщением


Ссылка на сообщение
Поделиться на других сайтах

Я думал о более длительной, чем полсекунды. У меня СЭЛМА с 94-го года, всё от контактора включается.

На этом аппарате, в схеме не было никакой задержки, и не было реализовано торможение моторчика подачи, поэтому(и не только) я ее "забраковал" и решил сделать новую !

Видимо в старых аппаратах до этого еще не додумались, мой где-то 89-90 г.в.

Поделиться сообщением


Ссылка на сообщение
Поделиться на других сайтах

Присоединяйтесь к обсуждению

Вы можете опубликовать сообщение сейчас, а зарегистрироваться позже. Если у вас есть аккаунт, войдите в него для написания от своего имени.

Гость
Ответить в тему...

×   Вставлено в виде отформатированного текста.   Вставить в виде обычного текста

  Разрешено не более 75 эмодзи.

×   Ваша ссылка была автоматически встроена.   Отобразить как ссылку

×   Ваш предыдущий контент был восстановлен.   Очистить редактор

×   Вы не можете вставить изображения напрямую. Загрузите или вставьте изображения по ссылке.

Загрузка...

×
×
  • Создать...