Волголог 3 009 Жалоба Опубликовано: 26 февраля 2020 15 минут назад, Гога68 сказал: там еще и педали родные не встанут, да и рама буханкина длиннее Педали пофиг, давно хочу подвесные. Цитата Поделиться сообщением Ссылка на сообщение Поделиться на других сайтах
Гога68 1 310 Жалоба Опубликовано: 26 февраля 2020 переделок дохрена буханкину раму ставить, надо ли оно? да еще коли измененья вносить..........геморно всё это шибко Цитата Поделиться сообщением Ссылка на сообщение Поделиться на других сайтах
Волголог 3 009 Жалоба Опубликовано: 26 февраля 2020 (изменено) Хочу что-то типа такого сделать. Изменено 26 февраля 2020 пользователем Волголог Цитата Поделиться сообщением Ссылка на сообщение Поделиться на других сайтах
Гога68 1 310 Жалоба Опубликовано: 26 февраля 2020 когда то тоже думал о чём то подобном. у нас в соседней деревне есть похожее, только у него кабина от газ 51, ну и делался очень давно так что и доки нормальные, в те времена проще было Цитата Поделиться сообщением Ссылка на сообщение Поделиться на других сайтах
Федот68 4 336 Жалоба Опубликовано: 26 февраля 2020 49 минут назад, protector сказал: Видимо так решил завод. У меня на УАЗ-451 были именно такие рессоры. Что-то мне эти рессоры про ГАЗ52 напоминают... Уж больно они похожи. Цитата Поделиться сообщением Ссылка на сообщение Поделиться на других сайтах
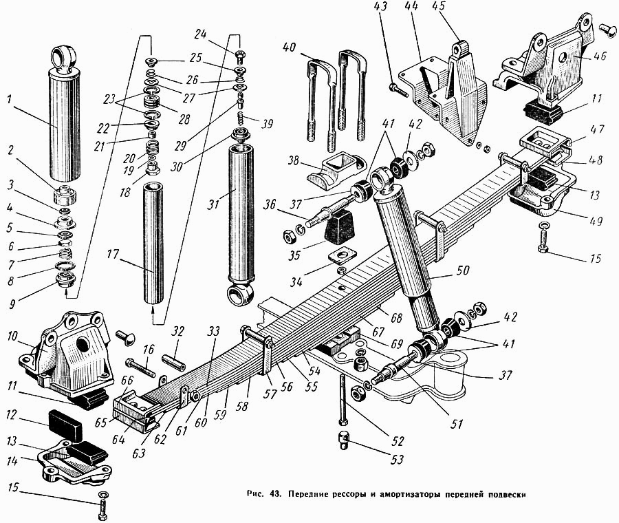
Федот68 4 336 Жалоба Опубликовано: 26 февраля 2020 Ещё гвоздь в крышку гроба за поспорить : https://www.avtoall.ru/kronshteiyn_uaz_452_ressory_peredneiy_zadneiy_levyiy_zadniiy_oao_uaz-019530/ Выдаёт яндех-поиск при запросе "кронштейн рессоры УАЗ 452 купить" выбрал передние именно. Для чистоты доказухи. Каталожный номер с 451Д начинается Ну и логика. рессоры УАЗ450- 45 мм листы УАЗ452-45 мм листы. Так что на твоей фотке, дорогой Юра - рессоры ГАЗ52-01 ( у 53 листов поболе) Сам так чуть не ошился, выбирая "ровненькие" рессоры себе на бухлобус. Выбирал "из кучи" и только в последний момент понял, что те. которые хорошие - просто шире, чем ннада :-)) Цитата Поделиться сообщением Ссылка на сообщение Поделиться на других сайтах
Гога68 1 310 Жалоба Опубликовано: 26 февраля 2020 38 минут назад, Федот68 сказал: Ещё гвоздь в крышку гроба за поспорить : коли верить уазбуке: рессоры уаз 451 - ширина 55 мм, листы толстые, 8 шт. на передней, 10 на задней Цитата Поделиться сообщением Ссылка на сообщение Поделиться на других сайтах
Волголог 3 009 Жалоба Опубликовано: 26 февраля 2020 В общем, понимаю так, что балка встанет без проблем. Ширина рессор мало волнует, решаемо. Подскажите, люди добрые, как с наименьшим геморроем решить вопрос с рулевыми тягами? Очень хотелось бы редуктор не менять и раму не пилить/варить. Моя благодарность будет безграничной, в разумных пределах Цитата Поделиться сообщением Ссылка на сообщение Поделиться на других сайтах
Гога68 1 310 Жалоба Опубликовано: 26 февраля 2020 приладить по месту рычаг под короткую тягу, на правый поворотный кулак, а чо еще то? Цитата Поделиться сообщением Ссылка на сообщение Поделиться на других сайтах
Волголог 3 009 Жалоба Опубликовано: 26 февраля 2020 А где тот рычаг взять? Цитата Поделиться сообщением Ссылка на сообщение Поделиться на других сайтах
Гога68 1 310 Жалоба Опубликовано: 26 февраля 2020 (изменено) балки нету под рукой, на вскидку. переставить рычаг с лева на право, перевернуть балку, праву с левой стороной поменять. коли перевернуть выйдет, надо будет клином прокладки под рессоры ставить Изменено 26 февраля 2020 пользователем Гога68 Цитата Поделиться сообщением Ссылка на сообщение Поделиться на других сайтах
Волголог 3 009 Жалоба Опубликовано: 26 февраля 2020 Цитата Поделиться сообщением Ссылка на сообщение Поделиться на других сайтах
protector 1 986 Жалоба Опубликовано: 26 февраля 2020 2 часа назад, Федот68 сказал: Ещё гвоздь в крышку гроба за поспорить : https://www.avtoall.ru/kronshteiyn_uaz_452_ressory_peredneiy_zadneiy_levyiy_zadniiy_oao_uaz-019530/ Выдаёт яндех-поиск при запросе "кронштейн рессоры УАЗ 452 купить" выбрал передние именно. Для чистоты доказухи. Каталожный номер с 451Д начинается Ну и логика. рессоры УАЗ450- 45 мм листы УАЗ452-45 мм листы. Так что на твоей фотке, дорогой Юра - рессоры ГАЗ52-01 ( у 53 листов поболе) Сам так чуть не ошился, выбирая "ровненькие" рессоры себе на бухлобус. Выбирал "из кучи" и только в последний момент понял, что те. которые хорошие - просто шире, чем ннада :-)) Покури трубку, пока. Работы много. Чуть разгребусь будет тебе гвоздь. 1 Цитата Поделиться сообщением Ссылка на сообщение Поделиться на других сайтах
Волголог 3 009 Жалоба Опубликовано: 26 февраля 2020 Цитата Поделиться сообщением Ссылка на сообщение Поделиться на других сайтах
Гога68 1 310 Жалоба Опубликовано: 26 февраля 2020 ну скопировал ты у протектора, и чо? коли решился, покупай балку, только в сборе, а дальше регюшенье придет Цитата Поделиться сообщением Ссылка на сообщение Поделиться на других сайтах
protector 1 986 Жалоба Опубликовано: 26 февраля 2020 4 минуты назад, Волголог сказал: Фото моей балки, к стати. 1 Цитата Поделиться сообщением Ссылка на сообщение Поделиться на других сайтах
Волголог 3 009 Жалоба Опубликовано: 26 февраля 2020 Ну да, из соседней темы. Цитата Поделиться сообщением Ссылка на сообщение Поделиться на других сайтах
protector 1 986 Жалоба Опубликовано: 26 февраля 2020 (изменено) 3 часа назад, Федот68 сказал: Ещё гвоздь в крышку гроба за поспорить : https://www.avtoall.ru/kronshteiyn_uaz_452_ressory_peredneiy_zadneiy_levyiy_zadniiy_oao_uaz-019530/ Выдаёт яндех-поиск при запросе "кронштейн рессоры УАЗ 452 купить" выбрал передние именно. Для чистоты доказухи. Каталожный номер с 451Д начинается Ну и логика. рессоры УАЗ450- 45 мм листы УАЗ452-45 мм листы. Так что на твоей фотке, дорогой Юра - рессоры ГАЗ52-01 ( у 53 листов поболе) Сам так чуть не ошился, выбирая "ровненькие" рессоры себе на бухлобус. Выбирал "из кучи" и только в последний момент понял, что те. которые хорошие - просто шире, чем ннада :-)) Получите гвоздь, дорогой Федот На моих фото передние , 8-листовые, рессоры от УАЗ-451, шириною - 55 мм., длинною 1259 мм., что равно длине рессоры УАЗ-452. Внимательно смотрим на фото рессоры ГАЗ - 5201, на стяжные хомуты,на расположение заклёпок, количество листов-12 и длина 1225 мм. http://www.autoopt.ru/auto/catalog/4/gaz/gaz-52-01/74/ Изменено 26 февраля 2020 пользователем protector Цитата Поделиться сообщением Ссылка на сообщение Поделиться на других сайтах
Гога68 1 310 Жалоба Опубликовано: 26 февраля 2020 ну че ж, на уазбуке верно написано Цитата Поделиться сообщением Ссылка на сообщение Поделиться на других сайтах
Федот68 4 336 Жалоба Опубликовано: 26 февраля 2020 И всё же. почему кронштейны 452 рессор ( шириной 45 мм) имеют каталожный номер "451Д" ? Честно признаюсь - 451 видел только на картинке. Машины с балкой от него ( и Жуки у нас такие ездили и ЕрАЗы) - видел Но сам - не ковырял. 52-х поковырял в своё время достаточно. Именно которые "на подухах" - длиннобазные ( коротыши от 51 мало отличались) Цитата Поделиться сообщением Ссылка на сообщение Поделиться на других сайтах
Гога68 1 310 Жалоба Опубликовано: 26 февраля 2020 7 минут назад, Федот68 сказал: И всё же. почему кронштейны 452 рессор ( шириной 45 мм) имеют каталожный номер "451Д" ? у кронштейнов и у площадок на концах рессор 451 и 452 ширина одинакова 1 Цитата Поделиться сообщением Ссылка на сообщение Поделиться на других сайтах
Федот68 4 336 Жалоба Опубликовано: 26 февраля 2020 (изменено) А может не морочиться с установкой именно 451 балки ? И просто изготовить "обманку" - "пустой чулок" . Например - из буровой трубы. По аналогии - УАЗ-профи 4Х2/УАЗ-профи-4Х4 ? Или ещё категоричнее - просто вырезать с чулка "балбеху" редуктора и состыковать вместо неё трубой чуть бОльшего диаметра ? Так проблема с изготовлением сошек и женитьбо тяг отпадёт сама собой ну останется длинная тяга впереди моста ( что тоже легко решаемо - ибо кулаки развернуть несложно, а сошка , что к РР - и на 69 и на 469 кулаках легко "перед-зад" перекидывается) Кастор всё равно ведь задаётся местом установки шкворней на ШОПКах( "рюмках") Либо пойти ещё дальше - и балку холостую целиком взять от УАЗ-профи ( ну что с колеёй делать - самое лучшее поставить задний мост "широкий" от того же зверя, но и укоротить переднюю балку тоже реально) И ещё мысля. Ведь можно и рулевую "трапецию" по типу УАЗ-профи сделать. В смысле там ведб вообще нет "рулевой" сошки. Тяга от РР идёт к правому кулаку ( почти как и на всех "козлах") а привод левого колеса - от этой тяги сделан. При этом варианте ( трапеция от уаз-профи) разве что ами рулевые тяги по длине покромсать маленько придётся. Да и штатный демпфер ( от нового пЭтриота-2019 модельного года) тогда тоже без проблем поставить можно будет... Изменено 26 февраля 2020 пользователем Федот68 Цитата Поделиться сообщением Ссылка на сообщение Поделиться на других сайтах
Волголог 3 009 Жалоба Опубликовано: 26 февраля 2020 Интересная мысль. Надо её обкурить. Тупо берём раму Профи и собираем на ней 69. База 3500, колея 1600. Мечта! Назад газельский мост со сдвоенными колёсами. Получаем полноразмерный пикап в американском стиле. Только денег сильно много надо на такую мечту... Цитата Поделиться сообщением Ссылка на сообщение Поделиться на других сайтах
Федот68 4 336 Жалоба Опубликовано: 26 февраля 2020 И всё же. Балка 451 у тебя уже есть ? Тогда тебе остаётся прикупить правую тягу от Профи. ( там уже есть место под шарнир для привода левой тяги). ну и дальше чутка поколдовать с болгаркой/сваркой... Можно ещё проще. Взять Газелину раму с мостами :-)) ценник этой "детали" - примерно 12-15 рублей за килограмм ( или дешевле - как договоришься со знакомым газелистом) Цитата Поделиться сообщением Ссылка на сообщение Поделиться на других сайтах
Волголог 3 009 Жалоба Опубликовано: 26 февраля 2020 Балка есть на примете, осталось купить и доставить из Волгограда в Валдай. Газельная рама не нравится, ПРОФИльная нравится. Цитата Поделиться сообщением Ссылка на сообщение Поделиться на других сайтах