Бродяга23 0 Жалоба Опубликовано: 10 октября 2009 (изменено) Доброго времени суток всем любителям "Козлика". Вот задумался установить "ВУТ" с "Волги" ГАЗ-3102,029,3110 на свой боливар. Возникло несколько вопросов: 1) не помешает ли прерыватель при установке "ВУТа", двигатель от "Победы", 2) подходят ли трубки тормозной системы от "УАЗа" на наши боливары, рама и мосты родные. Изменено 10 октября 2009 пользователем Бродяга23 Цитата Поделиться сообщением Ссылка на сообщение Поделиться на других сайтах
Никитко 5 Жалоба Опубликовано: 11 октября 2009 Может это поможет Цитата Поделиться сообщением Ссылка на сообщение Поделиться на других сайтах
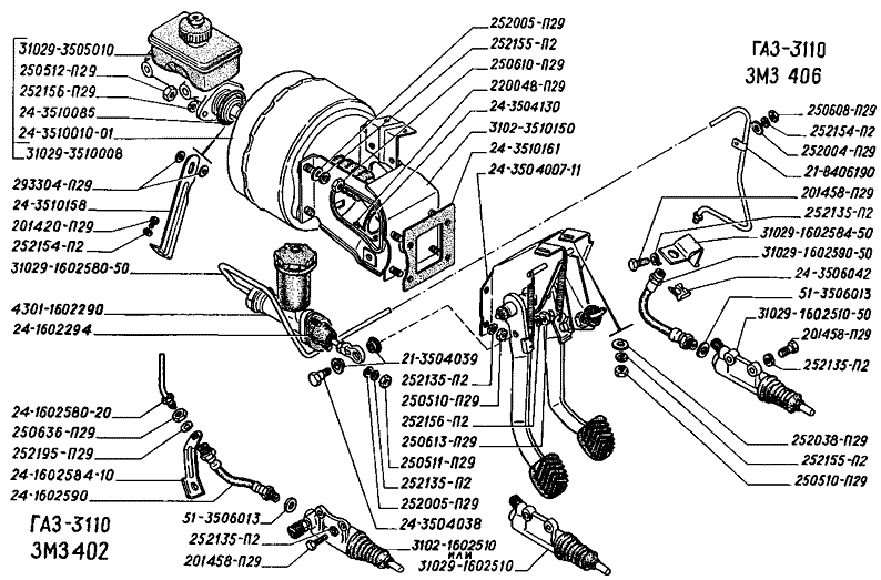
Бродяга23 0 Жалоба Опубликовано: 11 октября 2009 (изменено) Нет. я хочу поставить тормозной цилиндр типа "тандем". Хочу приспособить вот это. Изменено 11 октября 2009 пользователем Бродяга23 Цитата Поделиться сообщением Ссылка на сообщение Поделиться на других сайтах
Зайков Андрей Геннадьевич 0 Жалоба Опубликовано: 11 октября 2009 Устанавливаетса нормально совместно с волговскими педальками ,правда выглядит громоско и занимает много места в моторном отсеке.Переходник между педалями и ВУТом нужно перевернуть на 180градусов.И производить установку примеряя относительно жабры (может получитса маленький азор или совсем его не быть) В заключение добавлю по проведённым опросам (водителей волг ) волговский ВУТ не отличаетса долговечностью и чоткостью в работе. Цитата Поделиться сообщением Ссылка на сообщение Поделиться на других сайтах
Renegat 286 Жалоба Опубликовано: 11 октября 2009 У меня стоит ВУТ и педальки от 3110.Кронштейн не переворачивал,так воткнул.Слегка доработал-переварил.Видел бы раньше доработку с переворотом-одназначно перевернул бы.Место под капотом впритык.До этого стоял ВУТ от УАЗ3151х с педалями от него же.Гомно.Выкинул. Цитата Поделиться сообщением Ссылка на сообщение Поделиться на других сайтах
Федот68 4 338 Жалоба Опубликовано: 11 октября 2009 (изменено) В заключение добавлю по проведённым опросам (водителей волг ) волговский ВУТ не отличаетса долговечностью и чоткостью в работе. С чем сравнивать : если со " стандартно УАзиным" - то "ВолгоГодзиллин" ВУТ всборе с ГТЦ - на порядок - другой надёжнее и чётче. Если с "Патриковым" - то наоборот. ( тот - "немец" по происхождению и изготовлению). Но "Волгин" ВУТ - здОрово меньше диаметром обоих УАЗовских. Что немаловажно при инсталляции в "69". А " рабочий" объём ГТЦ Волго-Газелиного никак не меньше УАЗиного. ( то есть заменяем без ограничений).Да и в каждом ларьке запчасти есть ( даж чаще, чем УАЗины. не говоря уж про "древне Мерсы" всякие) Изменено 11 октября 2009 пользователем Федот68 Цитата Поделиться сообщением Ссылка на сообщение Поделиться на других сайтах
fedor 0 Жалоба Опубликовано: 11 октября 2009 С чем сравнивать : если со " стандартно УАзиным" - то "ВолгоГодзиллин" ВУТ всборе с ГТЦ - на порядок - другой надёжнее и чётче. Если с "Патриковым" - то наоборот. ( тот - "немец" по происхождению и изготовлению). Но "Волгин" ВУТ - здОрово меньше диаметром обоих УАЗовских. Что немаловажно при инсталляции в "69". А " рабочий" объём ГТЦ Волго-Газелиного никак не меньше УАЗиного. ( то есть заменяем без ограничений).Да и в каждом ларьке запчасти есть ( даж чаще, чем УАЗины. не говоря уж про "древне Мерсы" всякие) Хорошо подходит от польского фургона "Жук" -там вакуум один в один от жигулей классики, с переходником на алюминиевый двухбачковый ГТЦ к которому подходят манжеты от УАЗ, педали пдходят от Ваз. Редкость теперь немалая конечно, как и переходник от этого же "Жука" на полнопоточный масляный фильтр. Цитата Поделиться сообщением Ссылка на сообщение Поделиться на других сайтах
Wuglusskr 776 Жалоба Опубликовано: 12 октября 2009 я напарился в свое время с ВУТами и от Москичов, и от волг/уазов с жигулями... Отдельной песней шли ВУТы Москвича 2141 - лукасовские. Те работали. Патровские не знаю, не юзал. Остальное - наф-наф... буду себе ставить исключительно японский ВУТ с ГТЦ. Благо у меня их штук пять самых разных. И трубок к ним десятки метров. За 20 лет ремонта яп-авто НИ РАЗУ не лазил в японские вакуумники. Какими бы старыми они не были... Они просто тупо работают и все.. Цитата Поделиться сообщением Ссылка на сообщение Поделиться на других сайтах
АНДРЕЙ46 2 Жалоба Опубликовано: 12 октября 2009 Вот Газелькин ВУТ и ГТЦ рядом с ЗМЗ 409 сцепление ВАЗ, педальный узел ВАЗ, и педалями от УАЗ (приварены к ВАЗовским). Цитата Поделиться сообщением Ссылка на сообщение Поделиться на других сайтах
Wuglusskr 776 Жалоба Опубликовано: 12 октября 2009 (изменено) кстати очень здорово походит педальный узел от ОКИ. Примерял - понравилось. Только надо немного отогнуть влево педаль сцепления. А то у ОКИ колесная ниша простор стесняет и в широкой обуви трудно. А в газоне места хватает. Изменено 12 октября 2009 пользователем Wuglusskr Цитата Поделиться сообщением Ссылка на сообщение Поделиться на других сайтах
Бродяга23 0 Жалоба Опубликовано: 13 октября 2009 Спасибо всем кто откликнулся на мой вопрос, а про трубки кто нибудь скажет подходят или нет? Цитата Поделиться сообщением Ссылка на сообщение Поделиться на других сайтах
Renegat 286 Жалоба Опубликовано: 13 октября 2009 переходники с м10 на м12 купить не проблема.Я штатные волговские штуцера сверлом на 6 прошел,вставил уазовские трубки,предварительно спилив штуцера,развальцевал.Все подошло отлично Цитата Поделиться сообщением Ссылка на сообщение Поделиться на других сайтах
ArtemS 18 Жалоба Опубликовано: 14 октября 2009 Нет. я хочу поставить тормозной цилиндр типа "тандем". Хочу приспособить вот это. Я вот именно это только что воткнул. Все примерялся по жабрам а потом оказалось что бачок на ГТЦ мешает закрыть капот. Решил подкладкой шайб под кронштейн ВУТа с одной стороны и под сам вут, чем чуть повернул конструкцию. Педали пришлось переваривать, тормозная оказалась прямо над газом. Огромной ошибкой было, что искал новые запчасти, в частности педальный узел и кронштейн ВУТа. Их в продаже нашел (стоимость того и другого вместе перевалила за тысячу), но на ссылке Вами преведенной не видно одной хитрой детальки без которой ничего работать не будет. На кронштейне ВУТа стоит рычаг, который качается на оси закрепленной в кронштейне, один конец рычага цепляется к ВУТу, другой через регулируемую тягу к педали. Так вот в продаже его НЕТ. Нет также и болтов с пластиковыми втулками, которые крепят педали к тягам. Все это пришлось искать на разборках (хозяева не очень жаждут терять время из-за одного-двух болтов) и снимать собственноручно этот самый ВУТ, кронштейн и педальный узел, чтобы заполучить искомые детали. Трубки взял комплект от буханки (730р.) плюс штуцера-переходники, тройники, соединительная муфта (около 100р.). Старыми у меня осталась только трубка от лягушки до правого переднего колеса. Трубки из комплекта ушли практически полностью, осталось несколько коротышей. Самую длинную ветвь к заднему мосту пришлось стыковать из двух трубок. Систему я собрал без всяких регуляторов, датчиков и пр. От переднего штуцера ГТЦ, к переднему мосту, от заднего, к заднему. Цитата Поделиться сообщением Ссылка на сообщение Поделиться на других сайтах
Renegat 286 Жалоба Опубликовано: 14 октября 2009 Все примерялся по жабрам а потом оказалось что бачок на ГТЦ мешает закрыть капот. Решил подкладкой шайб под кронштейн ВУТа с одной стороны и под сам вут, чем чуть повернул конструкцию.Если бы ты перевернул кронштейн вакуума,то бочок бы не бился о капот и за жабры бы не цеплял!Вроде у кого-то из форумчан фотка 1 Цитата Поделиться сообщением Ссылка на сообщение Поделиться на других сайтах
Renegat 286 Жалоба Опубликовано: 14 октября 2009 Хотя каюсь,сам кронштей переделывал,чтоб втиснуть все хозяйство под капот.Настоятнльно рекомендую моторный щит в месте установки ВУТа усилить листом железа 2-3мм толщиной. Цитата Поделиться сообщением Ссылка на сообщение Поделиться на других сайтах
Зайков Андрей Геннадьевич 0 Жалоба Опубликовано: 15 октября 2009 на ссылке Вами преведенной не видно одной хитрой детальки без которой ничего работать не будет. На кронштейне ВУТа стоит рычаг, который качается на оси закрепленной в кронштейне, один конец рычага цепляется к ВУТу, другой через регулируемую тягу к педали. Так вот в продаже его НЕТ. В Москве всё это продаётса и вместе и по деталям в том числе втулки ,В ПЛАНЕТА ЖЕЛЕЗЯКА для информации кому надо. Цитата Поделиться сообщением Ссылка на сообщение Поделиться на других сайтах
Бродяга23 0 Жалоба Опубликовано: 15 октября 2009 Спасибо еще раз всем за помощь. А ставил кто нибудь ВУТ на машину с двигателем от "Победы" не помешает трамблер с его проводами. Цитата Поделиться сообщением Ссылка на сообщение Поделиться на других сайтах
ArtemS 18 Жалоба Опубликовано: 15 октября 2009 (изменено) Если бы ты перевернул кронштейн вакуума,то бочок бы не бился о капот и за жабры бы не цеплял!Вроде у кого-то из форумчан фотка Именно эта фотка и служила ориентиром при установке ВУТа и сверлении отверстий. А кронштейн перевернут. Неперевернутый кронштейн вообще стоит под острым углом и капот с ним врят ли закроется. А цеплял уголок бачка за отбортовку капота буквально чуть-чуть. По высоте все Ок. Проблема возникла еще и с ходом педали сцепления, он маловат, пока временно свободный ход ужат до минимуму, чтобы хоть как то переключать передачи, в дальнейшем хочу изготовить другую вилку соединяющую педаль со штоком ГЦС. Изменено 15 октября 2009 пользователем ArtemS Цитата Поделиться сообщением Ссылка на сообщение Поделиться на других сайтах
ArtemS 18 Жалоба Опубликовано: 15 октября 2009 В Москве всё это продаётса и вместе и по деталям в том числе втулки ,В ПЛАНЕТА ЖЕЛЕЗЯКА для информации кому надо. Самара к сожалению (только в плане магазинов) не Москва. В наших магазинах и на рынках мелочевкой брезгуют. На ВАЗ пожалуйста, все что угодно, а на ГАЗ извиняйте... А где находится эта планета железяка, или ссылочку плиз... Цитата Поделиться сообщением Ссылка на сообщение Поделиться на других сайтах
Зайков Андрей Геннадьевич 0 Жалоба Опубликовано: 15 октября 2009 (изменено) Самара к сожалению (только в плане магазинов) не Москва. В наших магазинах и на рынках мелочевкой брезгуют. На ВАЗ пожалуйста, все что угодно, а на ГАЗ извиняйте...А где находится эта планета железяка, или ссылочку плиз... http://www.konsulavto.ru/index.php Вот она радимая Изменено 15 октября 2009 пользователем Buuz Цитата Поделиться сообщением Ссылка на сообщение Поделиться на других сайтах
KLeone 0 Жалоба Опубликовано: 22 октября 2009 Вот и компактней получилось и явно надежней... Цитата Поделиться сообщением Ссылка на сообщение Поделиться на других сайтах
Гость Lev Жалоба Опубликовано: 22 октября 2009 Сцепление узнал, а вот от чего ВУТ ? Цитата Поделиться сообщением Ссылка на сообщение Поделиться на других сайтах
KLeone 0 Жалоба Опубликовано: 23 октября 2009 Сцепление узнал, а вот от чего ВУТ ? Nissan Patrol Цитата Поделиться сообщением Ссылка на сообщение Поделиться на других сайтах
ФЁДОР НН 0 Жалоба Опубликовано: 23 октября 2009 прошу,подскажите! поставил от волги ВУТ+ГТЦ, хотел получить раздельные контура на переднюю и заднюю ось. На зад тормоза есть.На перед - нет! Все запчасти новые. На передней оси регулируемые рабочие тормозные цилиндры. Ощущение такое, что не хватает усилия чтобы работали передние раб. торм. цилиндры.При прокачивании передка педаль не проваливается. Жидкость свободно выходит. Цитата Поделиться сообщением Ссылка на сообщение Поделиться на других сайтах
Renegat 286 Жалоба Опубликовано: 24 октября 2009 ФЁДОР НН,откуда жидкость свободно выходит? Цитата Поделиться сообщением Ссылка на сообщение Поделиться на других сайтах