CARS 1 665 Жалоба Опубликовано: 13 марта 2018 3 часа назад, Антон сказал: а новодельные Я-13 где взяли? Антон эту резину делал Вячеслав Лен, цена 300евр за балон, осталось (инфа с выставки) 10 балонов, делать больше не будет! Говорит не отбивается это! Цитата Поделиться сообщением Ссылка на сообщение Поделиться на других сайтах
Антон 1 237 Жалоба Опубликовано: 14 марта 2018 6 часов назад, CARS сказал: Антон эту резину делал Вячеслав Лен, цена 300евр за балон, осталось (инфа с выставки) 10 балонов, делать больше не будет! Говорит не отбивается это! Шикарно - цена 37-го Боггера Цитата Поделиться сообщением Ссылка на сообщение Поделиться на других сайтах
Стакан 1 979 Жалоба Опубликовано: 26 марта 2018 (изменено) Выключатель стоп-сигнала. Я понял, что эту деталь можно заказать в США, от Форда-А. Но у меня было несколько родных выключателей в плачевном состоянии. Как обычно - разобрал все их, выбрал лучшие детали, оцинковал, собрал. Работает. Для фиксации пружины просверлил шток и поставил шплинт (в оригинале там штифт чуть расклепан в этой зоне - не разборный). В исходном состоянии оба контакта выключателя замкнуты. Тянем шток за ухо - контакты размыкаются. Дальше начались сложности установки - в смысле разобраться в принципе ее работы на машине. Особенно потому, что в книжках подробно этот узел не рассмотрен, а на моих машинах были только остатки системы (первое фото). Сам выключатель крепится к раме кронштейном. Тормозная тяга - через лапку и цепочку, должна приводить выключатель в действие. Долго крутил все и так и сяк, сравнивал с различными фотками на форуме. единственный рабочий вариант установки выключателя получился вот так... При не нажатой педали - шток выключателя вытянут и контакты разомкнуты - лампа не горит. При нажатии на педаль - цепочка ослабляется и выключатель сам возвращается в замкнутое состояние - лампа стопа загорается. Но выглядит как-то кривовато все. Правильно собран узел? Изменено 26 марта 2018 пользователем Стакан 1 Цитата Поделиться сообщением Ссылка на сообщение Поделиться на других сайтах
Механик водитель 84 Жалоба Опубликовано: 26 марта 2018 Всё верно Цитата Поделиться сообщением Ссылка на сообщение Поделиться на других сайтах
Стакан 1 979 Жалоба Опубликовано: 26 марта 2018 (изменено) 2 часа назад, Механик водитель сказал: Всё верно Спасибо! Но вот на твоей картинке лапка длиннее - поэтому цепочка получается натянутой ровно. Хотя моя лапка вроде как оригинальная... А есть вообще данные по этой лапке? Изменено 26 марта 2018 пользователем Стакан Цитата Поделиться сообщением Ссылка на сообщение Поделиться на других сайтах
dud67 183 Жалоба Опубликовано: 26 марта 2018 На машине таких флажков два. На тяге ручника и на тяге от педали. На тяге ручника чуть короче. 1 Цитата Поделиться сообщением Ссылка на сообщение Поделиться на других сайтах
Стакан 1 979 Жалоба Опубликовано: 26 марта 2018 (изменено) 6 часов назад, dud67 сказал: На машине таких флажков два. На тяге ручника и на тяге от педали. На тяге ручника чуть короче. Спасибо, Александр! Буду делать удлинненный флажок... а то мой и вправду с тяги ручника. Изменено 26 марта 2018 пользователем Стакан Цитата Поделиться сообщением Ссылка на сообщение Поделиться на других сайтах
dud67 183 Жалоба Опубликовано: 26 марта 2018 Попробую завтра найти и сфотать оба. 1 Цитата Поделиться сообщением Ссылка на сообщение Поделиться на других сайтах
Стакан 1 979 Жалоба Опубликовано: 28 марта 2018 (изменено) Стапель для сборки кузова. Для достижения более качественного результата, кузов было решено собирать не на раме, а на специальном стапеле. Идею эту подбросил автор и изготовитель новодельного железа - Александр (region-73). Он же и рассчитал геометрию точек. Саму конструкцию стапеля придумали и сврили мы с Романом (cubic), за что ему огромное нечеловеческое спасибо! Варил и резал большей частью он, а я всего лишь помогал этому делу. В работе использованы трубы квадратного сечения 50*50 и 30*30. А также уголок 50. Стапель поддерживает ровной всю плоскость пола кузова, при этом фиксируя точки крепления в нужных местах. Пол кузова при этом поддерживается на трех уровнях - передняя часть, задняя часть и лежни вдоль бортов. Изменено 28 марта 2018 пользователем Стакан 9 Цитата Поделиться сообщением Ссылка на сообщение Поделиться на других сайтах
Стакан 1 979 Жалоба Опубликовано: 30 марта 2018 (изменено) Начали сборку кузова. Листы пола зафиксированы в контрольных точках стапеля; и дальше перешли к задней части кузова. Вначале - приварка продольных лежней пола. Далее сборка отдельно левой и правой арки-рундука, а затем понтировали эти узлы на панель пола. После закрывали задний борт. Самое главное - это почаще примерять и проверять перед приваркой. Использовали спот-сварку в аргонной среде. Изменено 30 марта 2018 пользователем Стакан 12 2 Цитата Поделиться сообщением Ссылка на сообщение Поделиться на других сайтах
dv_matrix 13 Жалоба Опубликовано: 30 марта 2018 Все красиво! Действительно получилось как учебное пособие. Нашел для себя много полезного. Спасибо. 1 Цитата Поделиться сообщением Ссылка на сообщение Поделиться на других сайтах
Муса 13 Жалоба Опубликовано: 31 марта 2018 Красота!! Точки сварки спотера отличаются от контактной сварки? 1 Цитата Поделиться сообщением Ссылка на сообщение Поделиться на других сайтах
Стакан 1 979 Жалоба Опубликовано: 31 марта 2018 17 часов назад, dv_matrix сказал: Все красиво! Действительно получилось как учебное пособие. Нашел для себя много полезного. Спасибо. 5 часов назад, Муса сказал: Красота!! Точки сварки спотера отличаются от контактной сварки? Спасибо. Таким ведь образом - если все будут делиться информацией - то результат у каждого станет намного лучше. А что касается точек сварки - конечно они отличаются от контактной, которая и должна быть. Но точки спотера не стягивает и они больше похоже на оригинал, чем отвертия, завареные полуавтоматом. Цитата Поделиться сообщением Ссылка на сообщение Поделиться на других сайтах
lisovin161 69 Жалоба Опубликовано: 31 марта 2018 Споттер,это немного другое.На фото видна РДС(ММА)и РАДС(TIG).Кузов сваривали TIG,а стапель ММА. Цитата Поделиться сообщением Ссылка на сообщение Поделиться на других сайтах
Стакан 1 979 Жалоба Опубликовано: 31 марта 2018 5 часов назад, lisovin161 сказал: Споттер,это немного другое.На фото видна РДС(ММА)и РАДС(TIG).Кузов сваривали TIG,а стапель ММА. http://svarog-rf.ru/products/art-icg0710 Цитата Поделиться сообщением Ссылка на сообщение Поделиться на других сайтах
lisovin161 69 Жалоба Опубликовано: 31 марта 2018 (изменено) Все верно, набор к TIG для сварки спот и споттер разные вещи.И еще один момент,аргон в закрытом помещении очень коварен,он без цвета, вкуса и запаха и тяжелее воздуха и поэтому накапливается у пола ,особенно в подвалах и смотровых ямах гаражей.Спуск в яму даже на 2-3 день после сварочных работ приводил к очень печальным последствиям,берегите себя.Извини.Все ваши темы это учебники по реставрации.Извените за флуд. Изменено 1 апреля 2018 пользователем lisovin161 Дополнение 1 Цитата Поделиться сообщением Ссылка на сообщение Поделиться на других сайтах
макс плюшкин 146 Жалоба Опубликовано: 31 марта 2018 Можно ставить на поток, сборку новодельных кузовов!?))) 1 Цитата Поделиться сообщением Ссылка на сообщение Поделиться на других сайтах
Стакан 1 979 Жалоба Опубликовано: 31 марта 2018 2 часа назад, макс плюшкин сказал: Можно ставить на поток, сборку новодельных кузовов!?))) Сначала один соберем. Потом еще один на очереди для Романа, с которым все это делаем. Ну а дальше если у кого будет интерес - то организуем сборку) Цитата Поделиться сообщением Ссылка на сообщение Поделиться на других сайтах
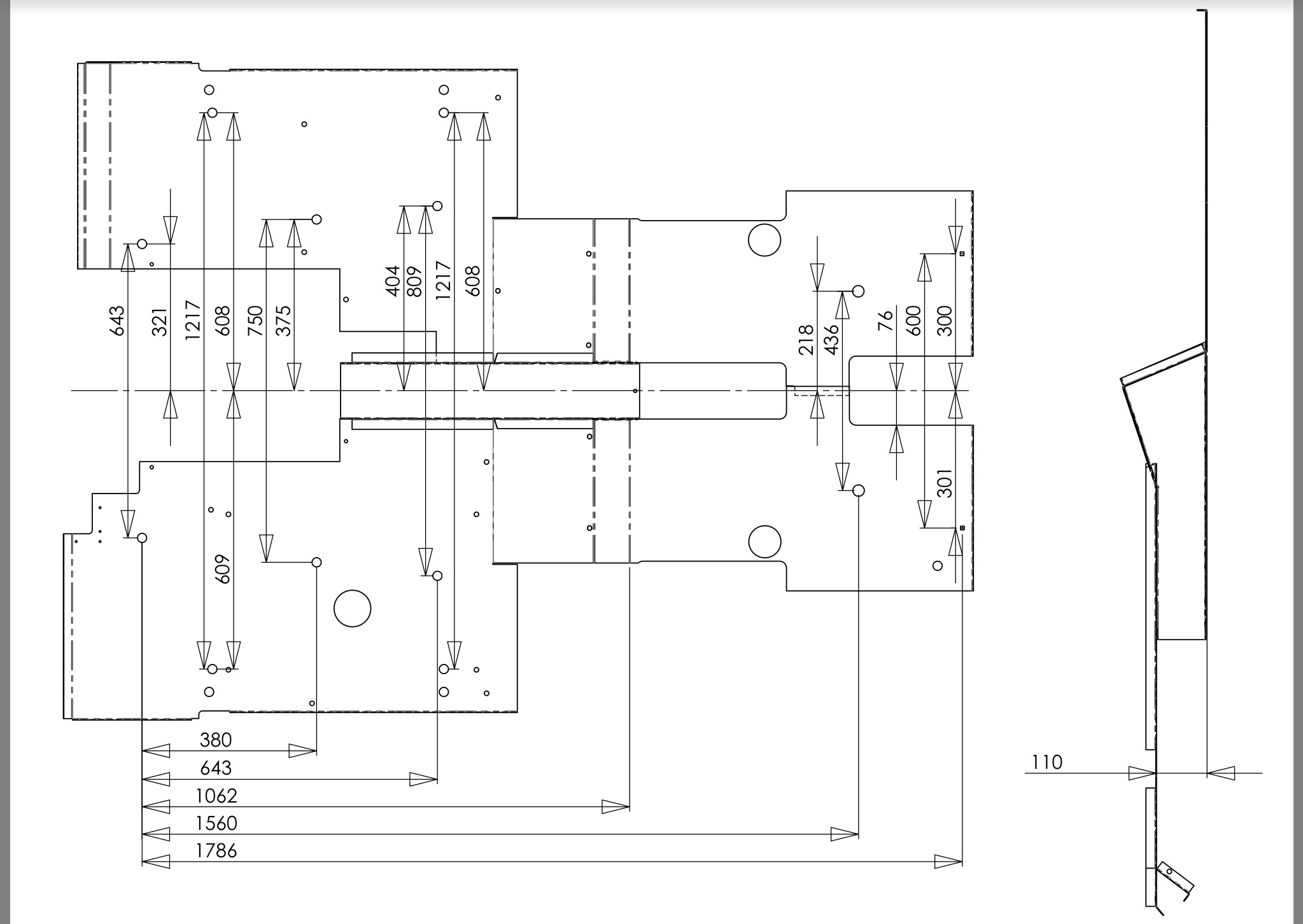
Стакан 1 979 Жалоба Опубликовано: 31 марта 2018 (изменено) А пока что в качестве отдыха собрали руль. Крестовина оригинальная. Обод (из дуба вроде бы) сделал Глебыч. Винты и конические гайки я заказал токарю по образцу. Кнопку сигнала тоже изготовил Борис Глебыч. Обод руля сверлили сверлом 6мм, а затем делали выборку под гайки фрезой 60 градусов. Электрофурнитура кнопки сигнала (пружинка, тарелочка) подходит от стандартного ГАЗовского руля. Руль вроде как должен быть весь покрашен в черный цвет. Кнопку сигнала покрашу. А обод, видимо, я сделаю просто темным лаком. Пока это обсуждается. Картинки оригинального крепежа и чертеж взял тут, на форуме. Извяняюсь, но не помню у кого. Изменено 31 марта 2018 пользователем Стакан 6 Цитата Поделиться сообщением Ссылка на сообщение Поделиться на других сайтах
Альберт 66 531 Жалоба Опубликовано: 1 апреля 2018 Все очень класно. Достойно уважения. 1 Цитата Поделиться сообщением Ссылка на сообщение Поделиться на других сайтах
PIONER 289 Жалоба Опубликовано: 1 апреля 2018 Этот чертёж винта -гайки когда-то выставлял на укро-форуме .но тогда было и описание ,что гайка должна выступать и быть обпиленой на головке в овал руля ,....фото с гайкой из цвет-металла из другой серии ,и не оригинал ,.... шлиц под отвёртку копирован ошибочно. Цитата Поделиться сообщением Ссылка на сообщение Поделиться на других сайтах
Стакан 1 979 Жалоба Опубликовано: 1 апреля 2018 (изменено) 1 час назад, PIONER сказал: Этот чертёж винта -гайки когда-то выставлял на укро-форуме .но тогда было и описание ,что гайка должна выступать и быть обпиленой на головке в овал руля ,....фото с гайкой из цвет-металла из другой серии ,и не оригинал ,.... шлиц под отвёртку копирован ошибочно. Значит фигня вышла... Переделаем! Эдуард, а можно ли правильные фото этого узла? Оригинальные и новодел. Спасибо огромное. Изменено 1 апреля 2018 пользователем Стакан Цитата Поделиться сообщением Ссылка на сообщение Поделиться на других сайтах
Глебыч 2 267 Жалоба Опубликовано: 1 апреля 2018 3 часа назад, PIONER сказал: Этот чертёж винта -гайки когда-то выставлял на укро-форуме .но тогда было и описание ,что гайка должна выступать и быть обпиленой на головке в овал руля ,....фото с гайкой из цвет-металла из другой серии ,и не оригинал ,.... шлиц под отвёртку копирован ошибочно. Гайки были в комплекте с рулём,на фото они есть. Немного нужно доработать после установки. Цитата Поделиться сообщением Ссылка на сообщение Поделиться на других сайтах
Стакан 1 979 Жалоба Опубликовано: 1 апреля 2018 45 минут назад, Глебыч сказал: Гайки были в комплекте с рулём,на фото они есть. Немного нужно доработать после установки. Глебыч, я видел эти гайки. Но они явно ведь неправильные тем, что они под резьбу м5. А ведь на всех сохранившихся рулях м6. Цитата Поделиться сообщением Ссылка на сообщение Поделиться на других сайтах
Восход 134 Жалоба Опубликовано: 1 апреля 2018 Гайки из цветмета - это с моего руля. Руль - коп с войны.... может и не оригинал, но тогда так делали. Винты имеют на торце вмятый треугольничек - явный знак устанавливаемых на ГаЗе в то время болтов/винтов. Гайки разом с выступающей частью витов подогнаны к рулю напильником, об этом говорит характерный рельеф на спиленной части. 1 Цитата Поделиться сообщением Ссылка на сообщение Поделиться на других сайтах